2022年4月19日,致力于亞太地區市場的領先半導體元器件分銷商---大聯大控股宣布,其旗下友尚推出基于達爾科技(Diodes)AP3306、APR340與AP43771V等芯片的130W ACF氮化鎵NB PD電源適配器方案。
圖示1-大聯大友尚基于Diodes產品的130W ACF氮化鎵NB PD電源適配器方案的展示板圖
手機、平板、筆記本等便攜式電子產品的技術迭代正不斷超乎人們想象,而其中最顛覆的技術之一莫過于快充技術。近幾年受益于功率器件與PD快充協議的發展,大功率適配器方案迎來了快速創新時期,從最初的18W到45W再到65W,每一次功率的攀升,都使快充功能有了顯著提高。而未來在多重技術的驅動下,大功率適配器將在消費類電源領域的占有主流地位。為了加快各大廠商能夠快速開展大功率適配器的研發,大聯大友尚基于Diodes的產品推出了130W ACF氮化鎵NB PD電源適配器方案,能夠同時為手機、平板、筆記本提供充電需求。
達爾科技(Diodes)成立于1966年,主要從事于分立、邏輯及模擬半導體產品的制造及供應,其產品廣泛應用于工業、通訊以及汽車市場。本方案中所采用的AP3306、APR340與AP43771V芯片均為Diodes高性能產品。

圖示2-大聯大友尚基于Diodes產品的130W ACF氮化鎵NB PD電源適配器方案的場景應用圖
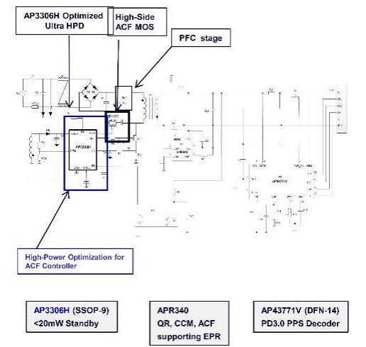
本方案的核心由四個主控制器UCC28056、AP3306、APR340和AP43771V組成。其中,UCC28056B是過渡模式升壓PFC控制器。AP3306是一款高度集成的有源箝位反激(ACF)控制器,主要針對離線電源優化設計,可滿足超低待機功耗、高功率密度和全面保護的需求。APR340是次級側同步整流(SR)控制器,它可用作同步的次級側MOSFET驅動器DCM操作中的整流,為方案有效降低次級側整流器功耗并提供高性能。
AP43771V是一種協議解碼器,負責匹配相關充電器容量和連接的配備C型充電設備(DUC)的請求。它兼容Qualcomm®QC4/4+/QC5協議,支持USB供電規范Rev3.0 V1.2(包括可選的PPS支持),在方案中起到調節充電器的反饋網絡以滿足DUC的電壓和電流要求的作用。

圖示3-大聯大友尚基于Diodes產品的130W ACF氮化鎵NB PD電源適配器方案的方塊圖
除此之外,本方案還采用氮化鎵(GaN)FET進一步提升充電效能。通過結合以上器件,可為消費電子適配器提供高性價比與高功率密度的解決方案,使產品在市場競爭中保持獨特的優勢。
核心技術優勢:
高效BOM優化的高功率密度充電器的最佳系統實施
Diodes專利利用ACF拓撲實現提升效率改進方法;
高壓啟動及低待機功耗;
符合DOE VI和COC Tier 2效率要求;
USB Type-C輸出線:支持最大輸出130W PD 3.0功能。
AP3306主要特性
具有回收泄漏能量和零電壓開關功能的有源箝位反激拓撲;
高壓啟動;
用于VCCL引腳的嵌入式VCC LDO以保證寬范圍輸出電壓;
輸出短路時的恒定、低輸出電流;
非可聽噪聲準諧振控制;
啟動過程中的軟啟動;
頻率折返以實現高平均效率;
帶有FOCP的次級繞組短路保護;
用于降低EMI的頻率抖動;
X-CAP放電功能;
有用的引腳故障保護:SENSE引腳浮動保護/FB/光耦合器開路/短路保護;
全面的系統保護功能:VOVP/OLP/BNO/SOVP/SUVP0。
APR340主要特性
同步整流適用于DCM/QR/ACF操作模式;
消除諧振振鈴干擾;
使用最少的外部組件。
AP43771V主要特性
支持USB PD Rev 3.0 V1.2;
USB-IF PD3.0/PPS認證TID 4312;
高通QC5認證:QC20201127203;
用于系統配置的MTP;
主固件的OTP;
工作電壓范圍:3.3V至21V;
用于CV和CC控制的內置調節器;
可編程OVP/UVP/OCP/OTP;
支持省電模式;
用于VBUS供電的外部N-MOSFET控制;
支持e-Marker線纜檢測;
W-DFN3030-14。
方案規格:
Power主要規格
輸入電壓范圍:90Vac~264Vac;
輸入Standby Power:小于100mW;
主要輸出電壓規格:5V/3A,9V/3A,15V/3A,20V/6.5A;
效率:符合CoC version 5 tier-2;
最大輸出功率:130W(20V/6.5A);
保護種類:OCP,OVP,UVP,OLP,OTP,SCP;
Dimensions:PCB size 125mm*55mm*30mm。
如有任何疑問,請登陸【大大通】進行提問,超過七百位技術專家在線實時為您解答。歡迎關注大聯大官方微博( 大聯大)及大聯大微信平臺:(公眾賬號中搜索“大聯大”或微信號wpg_holdings加關注)。
http:www.toastsoft.com/news/2022-4/2022421115022.html
