眾所周知,太陽能電池板有一個IV曲線,它表示該太陽能電池板的輸出性能,分別代表著電流電壓數值。兩條線的交叉點表示的電壓電流就是這塊太陽能電池板的功率。不利的是,IV曲線會隨輻照度、溫度和使用年限而變化。輻照度是給定表面輻射事件的密度,一般以每平方厘米或每平方米的瓦特數表示。如果太陽能電池板沒有機械式陽光追蹤能力,一年中輻照度會隨著太陽的移動變化約±23度。此外,每天從地平線到地平線太陽移動的輻照度變化,可導致輸出功率在一整天的變化。為此,安森美半導體開發了一款太陽能電池控制器NCP1294,用來實現太陽能電池板的最大峰值功率點跟蹤(MPPT),以最高能效為蓄電池充電。本文將介紹該器件的一些主要功能和應用時需要注意的問題。
增強型電壓模式PWM控制器
NCP1294是一款固定頻率電壓模式PWM前饋控制器,包含電壓模式運作所需的所有基本功能。作為支持降壓、升壓、降壓-升壓及反激等不同拓撲結構的充電控制器,NCP1294針對高頻初級端控制操作進行了優化,具有逐脈沖限流及雙向同步功能,支持功率最高達140 W的太陽能板。這款器件提供的MPPT功能能夠定位最大功率點,并實時根據環境條件來調節,使控制器保持接近最大功率點,從而從太陽能板析取最大的電量,提供最佳的能效。
此外,NCP1294還具有軟啟動、精確控制占空比限制、低于50 μA的啟動電流、過壓和欠壓保護等功能。在太陽能應用中,NCP1294可以作為一種靈活的解決方案,用在模塊級電源管理(MLPM)解決方案。基于NCP1294的參考設計最大功率點追蹤誤差小于5%,可以為串聯或并聯的四個電池充電。圖1是NCP1294 120 W太陽能控制器框圖。

圖1:安森美半導體的NCP1294 120 W太陽能控制器框圖
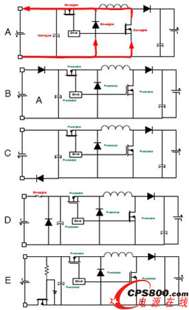
如圖1所示,該系統的核心是功率段,它必須承受12 V至60 V的輸入電壓,并產生12 V至36 V的輸出。由于輸入電壓范圍覆蓋了所需的輸出電壓,必須有一個降壓-升壓拓撲結構來支持應用。設計人員可以選擇多種拓撲結構:SEPIC、非反相降壓-升壓。反激式、單開關正激、雙開關正激、半橋、全橋或其他拓撲結構。
- 1
- 2
- 3
- 4
- 5
- 6
- 總6頁
http:www.toastsoft.com/news/2011-9/201199145138.html
 
		 
       





 0755-82905460  
			 郵箱
0755-82905460  
			 郵箱  :
 :