談談無觸點穩壓器的可靠性
產品的可靠性指標是其質量屬性中極為重要的部分。產品的可靠性越高,所需維修保養的費用就越低,從而可盡量減少用戶的開支,并保證用戶設備的正常運行。同時,只有具有高可靠性的產品,才能在市場上具有真正的競爭力。
一、無觸點穩壓器產品可靠性的現狀
在現代電源領域,要保證電源裝置能做到精密地控制和可靠地運行,必須采用電力電子技術,在裝置中使用電力半導體器件(可控硅)。電力半導體器件具有效率高、控制性能好、體積小、重量輕、使用可靠等許多優點。因此,采用電力電子技術對電力穩壓器進行升級換代,已是大功率電力穩壓器的主要發展方向。
上海潘登新電源公司于1999年起,針對市場對新一代大功率穩壓電源的需求,投入大量研發經費和技術力量,結合自身十幾年電力穩壓器生產經驗,對傳統的大功率補償式電力穩壓器進行升級換代改造,終于研制成功DBW5/SBW5型系列大功率無觸點補償式電力穩壓器,率先填補了市場空白,并獲得國家知識產權局的專利授權,同時是穩壓器行業唯一被上海市認定為高新技術成果轉化企業。
經中科院技術文獻情報中心確認,“潘登”無觸點穩壓器多項技術屬國內外首創,其整體技術達到了國際同類產品的先進水平。該產品整機無機械操作、無碳刷接觸、無噪聲調壓、無瞬間斷電、三相全部分調,響應速度極快,帶雷電浪涌防護及具備所有的保護功能,工作穩定可靠,使穩壓器實現了長期免維護。容量已做到2000KVA,補償范圍可達±50%,且效率高、運行可靠,系新一代綠色環保節能產品,經信息產業部產品質量監督檢驗中心對該產品進行檢驗,認定是目前國內最先進、容量最大的無觸點穩壓器。
隨著無觸點穩壓器逐步被市場和用戶認可,眾多穩壓器廠家隨后也陸續推出結構各不相同的無觸點穩壓器。由于主電路結構的不同,它們的性能差異往往比較大;加之某些廠家在技術上投入不夠,研究不深;對無觸點穩壓器的關鍵器件——可控硅模塊的性能、應用也缺乏足夠的試驗和了解;甚至極個別廠家還存在偷工減料,在元器件的選擇上以舊充新,以次充好的行為。凡此種種原因,最后集中反映在產品的可靠性上,造成很多廠家的無觸點穩壓器性能極不穩定,使用可靠性很差,時間一長,致使許多用戶形成一種誤解,認為目前市場上的無觸點穩壓器都不可靠,都不能用,最后都不敢買。
二、“潘登”無觸點穩壓器與其它無觸點穩壓器的比較
為澄清廣大用戶的一些誤解,我們將市場上的無觸點穩壓器給大家作一些分析。
不同主電路結構的無觸點穩壓器,主要區別在于補償電壓的調節方式上,它直接關系到穩壓器的工作可靠性、動態響應、穩壓精度、穩壓范圍、最大容量、波形失真等性能指標。
目前市場上的無觸點穩壓器的主電路大致可分為以下三種類型:
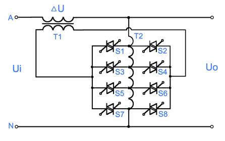
1、自耦調壓補償式(上海潘登新電源公司專利技術)

此種結構通過控制雙向可控硅的通斷,來切換自耦變壓器的抽頭,從而改變補償變壓器補償電壓的大小和極性,達到穩定輸出電壓的目的。
- 1
- 2
- 3
- 總3頁
http:www.toastsoft.com/news/2011-9/201192815219.html
 
		 
       


 0755-82905460  
			 郵箱
0755-82905460  
			 郵箱  :
 :