一、傳統UPS電源及環境建設方案需要滿足更高的需求
在當前廣電行業數字化、產業化轉型的關鍵時期,廣電行業新的技術模式和業務模式對于系統的穩定運行和安全保障提出了更高要求,同樣也對一切業務和應用的基礎——電源以及環境系統建設提出了更多要求和新的挑戰。這其中表現很突出的是有線數字電視系統的建設需求。
數字電視中心(或IDC)機房的業務目前正在蓬勃興起,其電源管理方案的可靠性、安全性、可維護性需要得到極大的提高。在機房內的負載主要是各種計算機、服務器、磁盤陣列等負載。目前數字電視系統建設中交流不間斷電源系統(UPS)的建設面臨如下問題:
1)UPS的布置呈現出分散供電的狀況,后級的交流用電設備取電不集中;
2)UPS系統的供電方案不盡合理。
3)UPS種類繁多,除了主流廠家之外,還有很多小廠家產品,良莠不齊。
4)UPS的輸入輸出系統配置呈現出不完全合理的現狀。
5)UPS的使用和維護狀況由于種種原因,也不太理想。
二、艾默生為數字電視系統提供的電源解決方案分析
基于全球位居前列的技術優勢,艾默生網絡能源有限公司為廣電行業的用戶提供全方位的數字電視系統UPS電源解決方案,使方案更貼近用戶實際,整個UPS供電系統更可靠、更安全,維護更簡便。
以下為幾個具體的數字電視機房中的方案分析:
1) 貴州某廣電系統數字電視中心機房配置方案:

方案解析:
該廣播電視信息網絡公司是所在區域最大的專業化廣播電視信息網絡公司,數字電視整體平移前端機房位于廣電大樓十五層,建筑面積約為600平方米。UPS供電系統在機房的作用至關重要。
UPS電源主要給主要的計算機設備提供不間斷的電源。本方案采用兩臺艾默生UL33系列40kUPS并機運行組成業界廣泛應用的1+1冗余并機系統,可靠性是單機的5.5倍。
方案要點分析:
在當今的廣電系統等重要機房不間斷供電系統中,為了確保重要負載不會因為UPS、電池、內部模塊系統等的故障造成斷電等問題,在現有技術條件下,采用“N+1”型UPS冗余并機供電系統是消除這些故障的最佳供電方案。它是在確保各臺UPS單機的逆變器輸出電源處于同幅度、同頻率和同相位的條件下(出現在各種UPS單機之間的“環流”等于零),將“N+1”臺具有相同輸出功率的UPS單機的輸出端置于并聯輸出狀態來運行的供電系統。這種先進的并機方案大大優于UPS的單機運行以及熱備份運行等方式。
采用N+1冗余并機供電系統的高可靠性體現在以下方面:
1. 確保在有一臺UPS出故障時,仍然能夠為所有 負載提供不間斷的高可靠的電源。
2. 冗余并機系統帶來了負載用電的可靠性的顯著 提升,并使該類負載的供電可靠性達到 99.999%甚至更高。
3.在隨著客戶業務的增長,對負載設備進行擴 容時,只需對現有的并機系統進行擴容即可, 而無需新建一套新的UPS供電系統,從而為客 戶節省相應的成本,并依然保持該供電系統的 高可靠性。
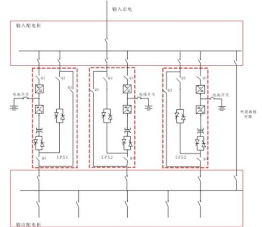
2) 杭州某廣電系統信息機房配置方案:

三、方案總結
在廣電系統數字電視系統建設中采用N+1冗余并機系統,可以為客戶帶來高可靠性的供電系統,因此對于并聯方案中的要點和推薦指標如下:
1、分散式直接并聯, UPS建議可直接并聯,不需增加并機柜,已內置自動旁路和維修旁路。節省用戶機房空間、降 低購買成本和便于將來擴容。
2、要求并聯均流精度高標準,使各臺UPS的負載不平衡度<2%,環流<1A。
3、并機信號總線必須環型連接,簡潔可靠,自動冗余。
4、各臺UPS之間可自動協調,用戶無需關注開機順序;過載轉旁路后系統能自動恢復;即使在某臺UPS發生故障退 出運行以后,余下UPS仍能穩定運行。
5、監控軟件特別適合中國客戶應用,建議均為全中文視窗界面,免費提供的智能監控軟件可以直接連接全部UPS。
伴隨著廣電行業的迅猛發展,我們有理由相信,UPS供電系統也將會用更高質量的電源和更高可靠性的解決方案為廣電行業提供強有力的電源保障。
編輯:Ronvy
http:www.toastsoft.com/news/2007-8/200782161825.html
 
		 
       
 0755-82905460  
			 郵箱
0755-82905460  
			 郵箱  :
 :