一、 地鐵弱電系統的電源需求
地鐵弱電系統應用在地鐵的車站、車輛段、停車場、控制中心等場所,包括通信、信號、綜合監控(電力監控PSCADA、環境與設備監控BAS、火災自動報警FAS、門禁ACS)、自動售檢票系統AFC、乘客信息系統PIS、屏蔽門、變電所直流操作、應急照明等部分,系統一般由計算機、網絡設備及自動化控制設備組成,用電為一級負荷,因此需要高可靠性的后備電源進行不間斷供電,以保證供電質量和供電連續性。
屏蔽門驅動電機、變電所直流操作以及部分通信設備分別用到DC110V、DC220V和DC-48V電源,一般由專門的直流電源獨立供電。應急照明一般為交流感應式的負載,分布在整個車站范圍內,點多面廣,多采用EPS供電。剩余的通信、信號、電力監控、環境與設備監控、門禁、火災報警、自動售檢票、乘客信息、屏蔽門網絡控制等系統均為計算機和網絡設備等容性負載,需要AC380/220V電源,最適合采用UPS系統進行供電。
由于地鐵運營環境及其設備的特殊性,一般要求提供電源的UPS系統滿足下列要求:
1.可靠性強,能適應地下運行環境,以確保車站各弱電系統設備全天候、穩定、可靠地運行;
2.綠色環保,避免污染電力環境及自然環境;
3.安全性高,保護全面,不易造成人為設備故障,不會威脅人身安全;
4.便于近、遠端管理,有標準的通訊接口及開放的通訊協議;
5.盡量采用集中式供電,綜合利用各種資源。目前,軌道交通UPS電源整合是一個發展趨勢,全國各地地鐵新建線路都在進行UPS整合工作,因為這樣更有利于資源的綜合利用,更有利于設備的專業化維護與管理,同時也有利于節省機房使用面積。
下表是某地鐵線路弱電系統中適合UPS集中供電的負載情況,它在地鐵行業中具有一定的代表性:
| 序號 | 系統名稱 | 電壓等級要求 | 用電負荷 | 電源需求容量(KVA) | 后備時間(h) | |||
| 車站 | 車輛段 | 停車場 | 控制中心 | |||||
| 1 | 通信系統 | AC220/380 | 
 | 40 | 30 | 20 | 30 | 2 | 
| 2 | 信號系統 | AC380 | 一級負荷 | 30 | 30 | 25 | 30 | 0.5 | 
| 3 | 電力監控系統(PSCADA) | AC220 | 
 | 
 | 
 | 10 | 1 | |
| 4 | 環境與設備監控系統(BAS) | AC220 | 10 | 7 | 7 | 10 | 1 | |
| 5 | 火災自動報警系統(FAS) | AC220 | 6 | 6 | 6 | 6 | 1 | |
| 6 | 自動售檢票系統 | AC380 | 10 | 20 | 6 | 20 | 中心2, | |
| 車站0.5 | ||||||||
| 7 | 乘客信息系統(PIS) | AC220 | 10 | 
 | 
 | 
 | 1 | |
| 8 | 其它系統及備用 | AC220 | 20 | 10 | 10 | 20 | 1 | |
| 
 
 | 容量合計 | 
 | 
 | 126 | 103 | 74 | 126 | 
 | 
二、系統方案選擇
根據地鐵應用環境對UPS系統的具體要求,我們選用由臺達NT系列UPS(12P)、中達電通DCF126系列蓄電池和中達電通智能配電柜組成的雙電源輸入、雙母線架構、共享電池組、負載分時供電的集中供電組合方案。
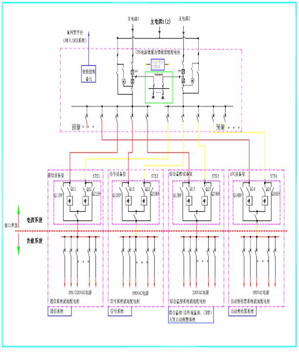
該方案的系統示意圖如下:

系統中的兩臺UPS容量相等,互為備份,彼此通過兩根相互冗余的通訊線相連,使它們的相位始終同步,確保后面的STS切換順暢。
該系統有下列特性符合地鐵應用環境的需求:
1.可靠性強,適應地下運行環境。如:UPS耐溫、濕度范圍寬,抗外界干擾能力強,輸入電源的電壓和頻率范圍寬,輸出電力品質高,全橋逆變加隔離變壓器對負載適應性強,內部重要線路冗余備份,容錯能力強,單機MTBF高達30萬小時等。而雙母線架構對負載又有了雙重保障。
2.UPS低諧波,高效率,低輻射,低噪音等特性體現了綠色環保、對電力環境及自然環境污染少的特性。
3.UPS符合CE、TUV、IEC等安全標準,具有過溫、過載、短路、誤操作、電池漏夜等保護功能,并且有近、遠端的緊急關機功能,安全可靠,不易造成人為設備故障和人身安全威脅。
4.UPS配備大型中/英文圖形化LCD顯示,以及RS232、RS485、20選6的智能干接點以及供選購的SNMP、MODBUS卡等,并有開放的通訊協議提供,便于近、遠端監控管理。對于本方案可將UPS監控納入綜合監控系統(ISCS),與綜合監控系統FEP接口,實現對電源的統一監控管理。
5.本方案在每個站點配置一臺大功率的UPS集中供電,可使負載綜合利用電力資源。同時,共享電池組和分時供電的方式也是綜合利用資源的一個具體體現。
三、UPS容量選擇
由UPS集中供電的負載情況表可知,車站、車輛段、停車場和控制中心的負載量依次為:126KVA、103KVA、74KVA和126KVA。這些負載都是電腦性的,輸入功率因數一般為0.7,小于UPS的輸出功率因數0.8,選擇UPS容量時應當按VA值來計算。為了確保UPS長期安全可靠地運行,負載量一般設定在UPS額定容量的60%~80%。所以車站、車輛段、停車場和控制中心應分別配置160KVA、160KVA、100KVA和160KVA的UPS,它們的負載量最大能達到單臺UPS的78%、64%、74%和78%,符合系統可靠性的要求。
四、電池配置計算
本方案采用UPS共享電池組方案,并且市電停掉后要分時供電給負載。以車站為例:有40KVA的負載后備2小時, 46KVA的負載后備1小時, 40KVA的負載后備0.5小時。其負載-時間坐標圖如下:

基于電池的放電特性,若采用分時間段(豎直分)計算法,結果會比實際的配置偏大;若采用分功率段(水平分)計算法,結果會比實際的配置偏小。這里采用分功率段(水平分)計算法計算,然后再將結果進行修正。計算過程如下:
P(W)  電池提供總功率          P(VA)  負載標稱容量(VA)
 Pf    負載輸入功率因數         η        UPS逆變轉換效率
 Pnc   每只電池需要提供的功率    n        UPS配置的電池數量
 N     單顆電池的cell數
 P(W)={P(VA)×Pf}/η
 Pnc=P(W)/(n×N) 
1.40KVA 2小時:
P(VA)=40KVA             負載輸入功率因數Pf ≈0.7
逆變器效率η=0.95          n = 29
N = 6
P(W)={P(VA)×Pf}/η= {40000×0.7}/0.95=29473.68(W)
Pnc=P(W)/(n×N)=29473.68 /(29×6)= 169.39(W)
根據中達電通電池的恒功率放電特性表可得出2小時放電時間,1.75V截止電壓下, DCF126-12/100型號的電池能提供68.4W的功率, 169.39/68.4=2.48組.
2.46KVA 1小時:
P(VA)=46KVA             負載輸入功率因數Pf ≈0.7
逆變器效率η=0.95          n = 29
N = 6
P(W)={P(VA)×Pf}/η= {46000×0.7}/0.95=33894.74(W)
Pnc=P(W)/(n×N)=33894.74 /(29×6)= 194.80(W)
根據中達電通電池的恒功率放電特性表可得出1小時放電時間,1.75V截止電壓下, DCF126-12/100型號的電池能提供112.2W的功率,194.80/112.2=1.74組.
3.40KVA 0.5小時:
P(VA)=40KVA             負載輸入功率因數Pf ≈0.7
逆變器效率η=0.95          n = 29
N = 6
P(W)={P(VA)×Pf}/η= {40000×0.7}/0.95=29473.68(W)
Pnc=P(W)/(n×N)=29473.68 /(29×6)= 169.39(W)
根據中達電通電池的恒功率放電特性表可得出0.5小時放電時間,1.75V截止電壓下, DCF126-12/100型號的電池能提供181.3W的功率, 169.39/181.3=0.93組. 2.48+1.74+0.93=5.15(組)
由于這種計算方法得出的結果會比實際的配置略有偏小,所以取6組應當足以滿足負載的后備時間需求。
同樣可以計算出車輛段UPS系統需配置中達電通DCF126 12/100型號的電池4組;停車場UPS系統需配置中達電通DCF126 12/100型號的電池3組;控制中心UPS系統需配置中達電通DCF126 12/100型號的電池6組;
五、供電運行方式與邏輯關系
結合方案的系統示意圖可以了解系統的供電運行方式與邏輯關系。
1. 正常供電運行方式
兩路主電源為兩臺UPS供電,主電源1接UPS1的主輸入,主電源2接UPS2的主輸入,兩臺UPS的旁路同時接到主電源1或者主電源2上(不同的站點可以不同)。 兩臺UPS同時輸出到各個負荷側的STS開關,通過設置STS開關狀態,實現大約各帶一半負載。這樣能確保兩路電源上的負載量基本均分,當兩臺UPS都運行于旁路狀態時,相位仍然同步,STS轉換不受影響。
UPS1和UPS2同時為電池組充電,充電電流各占50%。為了日后維修和保養方便,每臺UPS和每組電池都裝有自己的連接開關。
2. UPS故障運行方式
a. UPS2故障,則通過STS將所有的負載切換到UPS1,然后維修UPS2,修復后再恢復原帶載運行方式;
b. UPS1故障,則通過STS將所有的負載切換到UPS2,然后維修UPS1,修復后再恢復原帶載運行方式;
c. 兩臺UPS都故障,則通過兩臺UPS的靜態旁路供電給負載。此時,可以將兩臺UPS打到維修旁路或者輪流關閉進行維修,修復后再轉為原帶載運行方式。
3. 電池組故障運行方式
電池組分為3—6組并聯,若發現電池故障或者報警,維修人員切除故障的電池分組,進行維修維護工作,修復后再將電池分組重新投入運行。
4. 失去1路主電源運行方式
a. UPS2主電源失電,則UPS2停止輸出,通過STS將所有負載切到UPS1;
b. UPS1主電源失電,則UPS2停止輸出,通過STS將所有負載切到UPS2。
5. 失去2路主電源運行方式
此時兩臺UPS同時轉到電池組放電狀態,通過STS后共同分擔后面的負載。若此時任何1臺UPS故障,其后面的負載都會通過STS轉移到另外一臺UPS上去,電池組也會全部轉給正常的UPS使用,后備時間不受影響。
智能配電柜會結合各負荷的后備時間要求,按時切除相應的負載。
6. 檢修運行方式
a.     檢修單臺UPS時,斷開一臺進行檢修,另一臺正常運行;
b.    檢修單組蓄電池時,斷開一組進行檢修,其它電池組正常運行;
c.       當兩臺UPS同時檢修時,可將兩臺UPS打到維修旁路或者輪流關閉進行檢修。
六、方案特點分析
概括起來,該方案具有以下幾個特點:
1. UPS電源采用集中式配置,跟分散式配置相比,該方案更能綜合利用UPS和蓄電池資源,具有設備可靠性高、節省安裝空間、維修和管理方便等優點,符合地鐵行業的的發展趨勢。
2. 輸入電源采用雙路同時分別供電,跟前端采用ATS切換裝置相比,該方案更節省投資,使雙路電源負載均分,并且避免了ATS的單點故障。
3.系統采用兩臺UPS雙母線架構,跟單機和雙機并聯架構相比,減少了單故障點,增強了可靠度。
4.采用雙機共享電池組方式,確保任何一臺UPS故障時,系統總的后備時間不受影響,并且同時具備了以下優點:
a.節省購買電池的資金投資,相應的搬運、安裝等投資也跟著減少。
b. 節省安裝空間投資,相應的裝修費、空調配置等投資也跟著減少。
c. 節省承重方面的投資。
d. 節省電耗、維護保養等運營成本方面的投資,更加環保。
e. 系統擴容比較方便,主機和電池組的擴容可以分別進行,非常安全、方便,可以靈活利用資金。
f. 發揮電池的最大效能,提高電池利用率。對于傳統的電池配置方案,由于電池數量較多,停電后電池會小電流放電,電池容量可能還沒有放掉多少,市電就已經恢復。這種小電流的淺度放電對電池是沒有好處的,久而久之電池性能就會下降,一旦某臺UPS壞掉,其它UPS電池的后備時間就會達不到要求。而對于共享電池組方案,由于電池數量相對較少,停電后電池的放電電流就會比較大,電池容量也可以放的比較多,這樣有利于提高電池的活性,延長電池壽命。一旦某臺UPS壞掉,系統的后備時間也不會受到影響,因為電池不會跟著UPS失效而失效。
5.根據負載重要程度,采用分時供電方式,合理分配資源,實現效益最大化。
6.采用臺達NT系列UPS,該產品更能符合軌道交通方案需求,產品品質優異、廠家服務周到。同時采用冗余的通訊線代替LBS,節省了投資,提高了效率,增加了系統可靠度。
七、公司、產品及服務介紹
臺達電子工業股份有限公司(DELTA ELECTRONICS. INC) 在電力電子工業領域排名世界第一,每月生產超過一百萬臺轉換電源供應器,為全球最大的制造商。臺達電子在品質管制、可靠度的控制及維修服務方面的杰出表現,已被廣泛的認可。每年均收到如 HP、IBM、 NEC、GE…等主要客戶的獎賞。同時,設于世界各地的工廠均通過ISO-9000 認證。其研發和生產的UPS電源銷往世界各地。
中達電通股份有限公司是臺達集團在中國大陸地區的控股子公司,成立于 1992 年,總部設在上海浦東。主要為中國最具成長潛力的通信、交通、金融、工廠及其它自動化市場提供安全可靠、方便周到的一站式服務。其主要產品和服務包括動力系統、寬帶數據、機電自動化、視訊設備四個方面。本方案所涉及的UPS、蓄電池和配電柜是動力系統中的產品。
臺達NT系列UPS采用先進的IGBT高頻切換正弦脈寬調變技術設計,使UPS供電質量好、效率高、熱損耗小、噪音低、體積小及壽命長;同時采用模組化設計可降低平均修護時間(MTTR),使維護工作更簡便;藉由微處理器的數字化設計,簡化復雜的模擬線路及大量減少零件數目,使系統更為安全可靠。該產品還具有一些其它品牌所難以比擬的優異特色,如:8臺并機無須并機卡、共享電池組、電池漏夜保護、內存500筆信息數據、智能監控,可規劃干接點等等。
本方案所選用的中達電通蓄電池具有失水少、自放電小、密封安全、使用壽命長等優點,是一款性價比很高的產品。
中達電通智能配電柜是中達電通跟斯米克機電公司合作生產的,內部組件采用施耐德或者ABB的高性能產品,整柜外形美觀,性能安全可靠。
中達電通的分支機構和服務網點多達一百多個,遍及全國各地,可為用戶提供方便快捷的售前、售中、售后服務。對國內的用戶鄭重承諾:報修立刻響應, 30分鐘內提供問題有效解決方案, 2~24小時趕赴現場(緊急情況下就近最快的交通工具抵達現場),故障現場4小時內處理完畢。
八、總結
臺達NT系列UPS在工廠、醫療、交通、通信、證券、金融等行業都有廣泛應用。在軌道交通方面已安全運行于北京地鐵,上海地鐵9#線、6#線、8#線等,目前又已中標沈陽地鐵、南京地鐵等項目。此外在青藏線、京滬線等鐵路交通干線上也都有臺達NT系列UPS在正常運行,目前該UPS又已中標合寧線、京津線等鐵路項目。
臺達NT系列UPS可以組成十多種安裝方案,其中多機共享電池組方案,在并聯、雙母線架構下都可以采用。目前,在上海鐵路局調度控制中心有兩臺30KVA的UPS共享電池組在正常運行;在九江電信有兩臺320KVA的UPS共享電池組在正常運行;在山東省委機要局有兩臺40KVA的UPS共享電池組在正常運行;在山東電視臺有兩臺30KVA的UPS共享電池組在正常運行;在鷹潭電信有三臺40KVA的UPS共享電池組在正常運行等等,這些案例從來沒有因為共享電池組而發生過故障。在臺達的UPS生產線上也都是采用共享電池組方式測試并聯機器的。所以說臺達UPS在共享電池組方面的技術是相當可靠的,經驗非常豐富。
選擇了臺達,就選擇了放心!臺達以雄厚的實力、優質的產品、可靠的方案、全面快捷的服務令各行業的用戶高枕無憂!
http:www.toastsoft.com/news/2007-12/2007122411196.html
 
		 
       
 0755-82905460  
			 郵箱
0755-82905460  
			 郵箱  :
 :