引 言
功率場效應管MOSFET是一種單極型電壓控制器件,它不但具有自關斷能力,而且具有驅動功率小,關斷速度快等優點,是目前開關電源中常用的開關器件。采用MOSFET 控制的開關電源具有體積小、重量輕、效率高、成本低的優勢,因此,較適合作儀器電源。本文給出了一種由MOSFET 控制的大范圍連續可調(0~45V) 的小功率穩壓電源設計實例。
總體結構與主電路
圖1 為該電源的總體結構框圖。工作原理如下:

圖1 原理方框圖
全橋整流電路將電網電壓220V 整流成不可調的直流電壓Ud = 1. 2U約等于198V。兩個等值濾波電容上的電壓分別為99V 以上,經DC/AC 變換器逆變之后輸出20kHz、脈寬可調的交流電壓,又經高頻變壓器的兩個副邊分正負半周送入整流濾波電路,輸出直流電壓。該電源直流輸出電壓的大小靠 PWM發生器的輸出脈沖寬度來控制。
主電路如圖2 所示。

圖2 主電路
主電路中實現DCPAC 變換的關鍵元件是功率場效應管VT1 和VT2 。當VT1 管開通,VT2 截止時,電路中的電流從電容C1 正極到VT1 的D1 - S1 ,再通過變壓器原邊回到電容器C1 的負極形成回路,uAB為正電壓。變壓器的副邊感應電壓同名端為正,VD1 導通,輸出U0 上正下負。
當VT2 開通,VT1 關斷時,同樣可推出上述結論:U0 上正下負。U0 的大小取決于控制電路使VT1 、VT2 的導通時間。
控制電路
控制電路功能是實現PWM 波形合成及可控DC/AC 變換器的隔離驅動。
PWM波形的產生
該電路的電源設計是以三端集成穩壓器為核心的±15V 直流穩壓電源。
(1) PWM的控制原理
脈寬PWM波形產生采用功能強大的TL494 定頻調制芯片,該芯片有16 個引腳,內部電路與外圍電路如圖3 示。

圖3 TL494 內部電路及外圍電路
TL494 芯片的引腳13 低電平時,引腳8 和11 同步工作,單端輸出;引腳13 高電平時,引腳8 和11推挽工作,雙路輸出。本電路采用后種工作方式。該芯片的最高工作頻率為300kHz ,實際工作頻率由引腳5、6 所接的電阻與電容決定,其振蕩頻率算式為f = 1.1P(RTCT ) ,本設計選擇的振蕩頻率為20kHz ,鋸齒波在片內被送到比較器1 和2 的反相端。鋸齒波與片內的誤差放大器的輸出在PWM 比較器2 中比較,而死區控制電平與鋸齒波在死區時間比較器1 中比較,兩者的輸出分別為一定寬度的矩形波,它們同時送到或門電路,經分頻器分頻后,再經相應的門電路去控制內部三極管交替導通,使得引腳8 和11 向外輸出相位互差180°的PWM 波形。其工作波形如圖4 所示。

圖4 工作波形
誤差放大器1 的反相端(引腳2) 接可調給定電壓Ug 。改變Ug ,可改變引腳3 的電壓值,從而改變PWM比較器2 輸出波形的寬度,實現U0 從0~45V連續可調。
(2) 死區時間的控制
為了保證開關器件VT1 與VT2 在一只管子關斷另一只管子開通時有足夠的時間間隔,防止功率開關元件上下直通造成的直流側短路,該電路用引腳4 控制兩個開關器件的死區時間。由內部基準源引腳14 串聯電容器C5 提供死區電壓參考數值,并通過R5 接地來共同決定死區時間最小值Toff (min) 。
另外,在輸入電源剛接通時,R5 與C5 又構成軟起動器。由于電容上的電壓不能突變,所以起動瞬間,死區控制端4 與內部基準電壓14 端等電位,為高電平,死區比較器1 也輸出高電平,封鎖輸出端的兩個晶體管;隨著電容電壓的不斷上升,4 端電位逐漸降低,這兩個晶體管才逐漸開通,使得該電源的輸出電壓不會突變,實現軟起動。正常工作時,R5 上的電壓約為0。這時主電路開關元件的導通時間(它決定正常工作時的輸出電壓值) 將由接入誤差放大器1 反相端的給定電壓Ug 和接入同相端的反饋電壓Uf 比較確定。
隔離、驅動電路
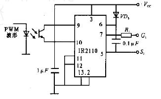
VT1 、VT2 采用專用集成驅動模塊IR2110 來驅動,隔離驅動電路如圖5 所示:

圖5 IR2110 驅動模塊及外部接線電路
過壓過流保護
為改變負載曲線,保護MOSFET的安全運行,防止過電壓和減小du/dt ,在MOSFET 的D1 - S1 間并入電阻、快速二
極管和電容組成的過電壓吸收電路。過流信號從主電路檢出,從引腳16 送向誤差放大器2的同相端,引腳15 為比較基準,當出現過流時,引腳16 的電壓上升,則比較器2的輸出引腳3為高電平,封鎖脈寬信號。
結束語
該電源盡量采用在工業環境下具有高可靠性的常用集成電路及功率模塊,以易實現、易維修為出發點,以實用性為宗旨。經過實驗驗證,本電路抗干擾能力強,輸出電壓穩定,工作可靠,輸出電流可達15A ,較適合于做儀器和裝置的直流供電電源,有較好的推廣價值。
編輯:coco
來源:21IC中國電子網
http:www.toastsoft.com/news/2007-12/20071217111144.html
