摘要:介紹浦江縣仙華文景項目新建0.4KV配電室,采用智能電力儀表,采集配電現場的各種電參量和開關信號。系統采用現場就地組網的方式,組網后通過現場總線通訊至后臺,通過Acrel-3000型電力監控與電能管理系統實現變電所配電回路用電的實時監控和管理。
0 概述
仙華文景園(一期工程)總用地65.16公頃,總建筑面積7.4萬平方米,設有文化活動中心、書畫會展中心、仙龍廣場和仙墨湖大壩等,是一處處處散發著藝術氣息的建筑,串起了浦江書畫名人墻、剪紙雕塑、六大“非遺”展示墻等多處人文景觀。
本次項目為文化活動中心、書畫會展中心部分提供電能管理系統,以滿足他們電能計量的需求。
1 需求分析
現場為兩座0.4KV配電室。電能管理系統需要實現數據集中管理、分析處理。軟件大概功能要求如下:
電壓、電流、功率、功率因數及頻率等監測信息實時刷新,并以一次圖形式直觀動態顯示。各回路子畫面上顯示該回路各電參量、回路名稱、電流越限值等信息。
對各回路電力儀表的電流繪制趨勢曲線,便于分析該回路配電運行工況。
對各回路電力儀表的電能集中抄表功能,并可生成時間段內符合客戶管理需求的用電報表。
本技術條件適用于上海財經大學的0.4KV配電室低壓柜。供方產品應具有高安全性與可靠性、易于擴展、便于維修與維護。供方提供的產品應至少滿足本技術條件,但不僅限于此,其技術性能應滿足對配電室數據監控的要求。
2 系統方案
監控系統主要實現兩座建筑的樓層強電配電室0.4kV配電系統進行用電監控與電能管理。監控范圍為儀表進行遠程實時監控和電能管理。兩套系統分別接入樓層配電室48只以及27只ACR120EL多功能電力儀表,總線直接接入本變電所內采集設備;后臺位于消控室內,總線直接上傳至后臺主機,從而在監控主機上實現總線上儀表與監控主機的數據連通。


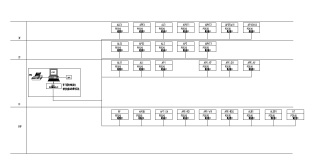
現場拓撲結構如下圖所示:站控管理層、網絡通訊層和現場設備層。
1)站控管理層
站控管理層針對電力監控系統的管理人員,是人機交互的直接窗口。在主要指置于值班室的工控機、顯示器、UPS等。
2)網絡通訊層
通訊層是由儀表總線經后232/485轉換器,連接至后臺主機的232串口,從而將智能電力儀表的數據上傳至系統后臺。
通訊層的主要功能是實現數據交互,使配電系統管理集中化、信息化、智能化,極大提高了配電系統的安全性、可靠性和穩定性,真正達到了無人值守的目的。
3)現場設備層
現場設備層是數據采集終端,主要由智能儀表組成,智能儀表通過屏蔽雙絞線RS485接口,采用MODBUS通訊協議總線型連接接入通訊服務器,經通訊服務器到達該配電間監控主機進行組網,實現遠程控制。
低壓進線和饋線回路采用多功能儀表,它能測量所有常規電力參數,如:三相電壓、電流、功率因數、頻率、有功電度、無功電度。
3 系統功能
功能特點
本系統采用全中文界面,操作簡單方便;運行穩定可靠。系統具有一次系統圖顯示,模擬圖顯示,網絡結構圖顯示及報表顯示;系統提供了友好的人機交互界面,一切操作均可在界面上進行,而且具有遠程顯示功能。
用戶管理
為保障系統安全穩定運行,設置了用戶權限管理功能。通過用戶權限管理能夠防止未經授權的操作(如配電回路名稱修改等)。定義不同級別用戶的登錄名、密碼及操作權限,為系統運行維護管理提供可靠的安全保障。將用戶的級別分為操作工、工程師、系統管理員這三個等級,每個等級可以單獨賦給不同的操作權限,包括進入運行、退出運行、報表管理。系統管理員為最高等級用戶,高一級的用戶可以添加、刪除下一級別的用戶。
通訊狀態

通訊狀態功能說明
實時顯示接入系統的各設備的通訊狀態,能夠完整的顯示整個系統網絡結構,可在線診斷系統網絡通訊狀態,發生網絡故障時能自動在屏幕上顯示故障單元和故障部位。從而方便系統維護人員實時掌握現場各設備的通訊狀態,調查故障原因,對出現異常的設備及時維護,保證系統的穩定運行。
配電監測
配電監測功能說明
詳細參數
上圖所示為本系統配電監測界面,實時顯示配電室各回路三相電流、三相電壓、有功功率、無功功率、率因數,實現遠程數據的本地實時顯示。數據處理主要是把按要求采集到的電參量實時準確的顯示給用戶,提醒值班人員及時處理故障,降低事故發生率。{$page$}
電參量報表

電參量報表功能說明
實時電力參數的存儲和歷史電力參數的管理功能,所有實時采集的數據、順序事件記錄等均可保存到實時數據庫。在監控畫面中能夠自定義需要查詢的參數、查詢的時間段或選擇查詢最近更新的記錄數等,并通過報表方式顯示出來。可以通過對保護裝置工作狀態的記錄,以及對故障信息的記錄,準確的反映出系統中存在的問題,從而便于工作人員解決。
電能報表

電能報表功能說明
為了實現對本樓內各回路用電量的監管,系統設計了電能管理報表,系統通過對有功電度的采集,呈現系統運行期間的任意時間段內的各回路用電,每個進線回路及它所帶的出線回路制作在一張表內,可方便查詢和打印,可以幫助建立有效的用能管理考核制度。通過系統的建設和制度的建立,有效的節約了能源消耗。
電流曲線

電流曲線功能說明
對配電系統總進線回路(或重要負荷的出線)設計了電流勢曲線。便于配電維護人員及時掌握用電需求與供電系統負荷占比,確保供電可靠性,為用戶單位的用能權益提供保障。借助該功能,還可分析用能需量的增長趨勢,適時調整需量申報,減少因需量偏差過大造成的多余繳費。電流曲線可以幫助用戶進行電能質量分析和故障分析。
報警及事件

報警及事件查詢功能
本系統提供遙信實時報警功能,分別對監測系統所采集的遙測量和遙信量的數據判斷,并提供電流或者電壓越限報警功能。
本系統提供過去任意時間段內的系統報警信息的查詢服務,包括遙測報警和遙信報警,內容為具體的報警時間,報警類型,報警內容等。
4 結束語
在當今配電設施的應用中,變電所的配電安全性至關重要,本文介紹的Acrel-3000電能管理系統在浦江縣仙華文景項目新建0.4KV配電室的應用,可以實現對配電所供配電回路用電的實時監控,不僅能顯示回路用電狀況,還具有網絡通訊功能,可以與串口服務器、計算機等組成電力監控系統。系統實現對采集數據的分析、處理,實時顯示變電所內各配電回路的運行狀態,對分合閘、負載越限具有彈出報警對話框、語音提示、短信報警燈,并生成各種電能報表、分析曲線、圖形等,便于電能的遠程抄表以及分析、研究,該系統運行安全、可靠、穩定,為學校解決用電計量問題提供了真實可靠的依據,取得了較好的效益。
參考文獻:
[1].任致程 周中. 電力電測數字儀表原理與應用指南[M]. 北京. 中國電力出版社. 2007. 4
[2].周中等編著. 智能電網用戶端電力監控與電能管理系統產品選型及解決方案[M]. 北京. 機械工業出版社. 2011.10
作者簡介:陳璐(1989-),女,江蘇安科瑞電器制造有限公司,技術工程師,主要研究方向為智能電力監控與電能管理系統。<