摘要:本文介紹安科瑞電氣有限公司ARD智能電動機控制器,在低壓電動機控制、保護、測量、通訊等方面的最新解決方案,供工程設計中參考。
一、概述:
隨著工業自動化水平的提高及各行業電動機應用的增多,單機容量的增大,這一數量龐大的電動機,按電壓等級可分為10kV電動機、6kV電動機、380V電動機,按重要性可分為1類負荷、2類負荷、3類負荷,按容量可分為大型電動機、中型電動機、小型電動機。
單純的依賴DCS系統,或PLC控制系統,僅能完成對電動機的基本控制功能,而其保護、測量、整定、故障記錄等功能還依賴大量的其他外圍設備來完成,隨著微機通訊技術的發展,采用分散分布式的結構集中控制、保護、測量、通訊功能于一體的綜合自動化裝置將是今后發展的方向。
微機式智能保護設備可靠性、安全性在不斷的提高,其功能也更加完善,應用更加廣泛,以國外著名的電氣公司相繼推出低壓電動機綜合保護和控制設備為標志,一種全新的低壓馬達控制保護解決方案誕生,比較有代表性的有:阿爾斯通公司、羅克韋爾公司、東芝公司、西門子公司。ARD電動機保護器是目前國內具有國際水平的馬達智能保護控制單元,在國內具有一定代表性。
ARD在電動機控制中,取代了傳統方案中的許多繁雜的二次接線,僅需接觸器配合就可完成多種操作和大量的保護通訊功能。
操作功能具有:直接起動、雙向起動、星三角起動、停車等功能,可以編程就地操作或者設成遠程控制,另外還可以通過編程器實現斷路器的“三遙”測控。
保護功能具有:過載反時限(多種等級曲線可選)、過流、漏電接地、欠流、三相不平衡、熱保護、接觸器吸合狀態檢測、起動超時、欠壓等保護功能。
監視功能:三相運行電流顯示、電機起動電流顯示。
維護功能:起動次數、運行時間、接觸器故障、歷史故障信息查看、報警信息顯示等功能。
通訊功能:具有RS485接口,可掛接PROFIBUS現場總線、MODBUS現場總線。可實現“四遙”功能。
二、ARD系列電動機保護器的突出優勢
ARD電動機保護器,是國內比較有影響力的產品。現在,電動機饋線保護控制系統從設計、安裝、調試到投入運行,其周期越來越短,而對裝置的要求卻日益提高,這就要這個系統必須結構緊湊,智能化程度高,功能強大,使每臺電動機均有最佳的保護,并且接線盡量簡單。ARD正是基于以上要求設計的。
1.1ARD本身除具備正常的直接起動、雙向起動、星三角起動、停車等控制功能外,還能通過編程器,編程為就地操作或者遠程控制。使得傳統方案中復雜的二次接線,如:起、停邏輯電路,電氣互鎖邏輯電路,都可以取消,ARD的一切邏輯都由芯片完成,大大降低了接線成本。
1.2保護功能更加完善,導致電動機的過載原因很多,如負荷過載、相故障、轉子失速、起動超時,裝置針對以上故障都可以進行正確判斷并且進行保護。ARD除具有過載、過流、欠流、漏電故障保護外,還可以實現三相電流不平衡,電機斷相保護、過熱保護和接地故障監視功能。通過編程器可對裝置參數進行設定。取消了傳統功能單一結構復雜的熱繼電器、電流表、互感器、變送器、I/O模塊、大熔點的操作按鈕、以及二次繼電器和線纜等。
1.3配合操作顯示模塊,具有電流、故障類別、起動電流、起動時間、操作次數等顯示功能。ARD顯示模塊可進行定值設置,性能測試,故障查詢等多種操作。通過串行接口,與現場總線系統的連接,實現通訊組網,總線控制。
1.4小巧的體積和靈活的安裝方式。ARD可配顯示模塊使用,也可以單獨使用,可以水平安裝,也可以豎直安裝,ARD的體積81.5×90×86,整個體積大約只有一個接觸器大小。
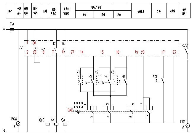
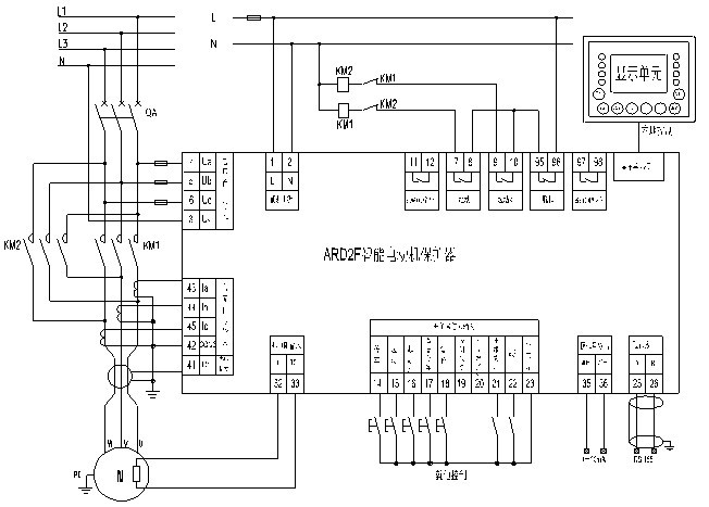
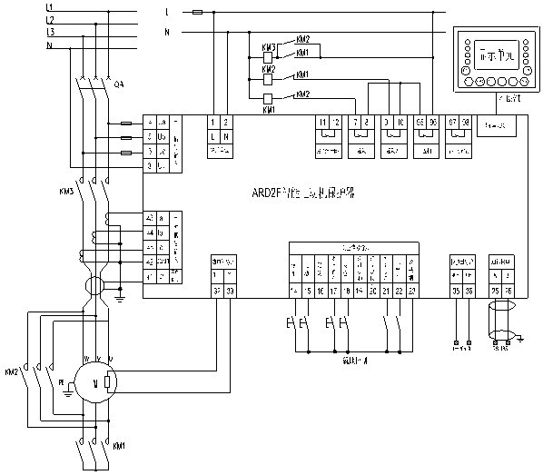
總之,ARD取代傳統的接線,既節約了元器件,使總投資成本下降,又大幅度提高電機控制的可靠性和自動化水平。(見下圖1圖2傳統方案與ARD方案的比較)

圖1 傳統方案

圖2 ARD馬達保護方案
三、先進的控制單元
硬件線路有兩大部分,馬達控制器的核心部件為MCF51EM256,主要完成數據采集,數據處理及各種控制和保護功能;PROFIBUS-DP接口核心部件為VPC3和12C5A,SPC3為PROFIBUS-DP專用協議芯片,負責將主站送來的數據拆包,并將其送往12C5A,同時將12C5A傳來的數據打包,上傳給主站。12C5A是MCF51EM256和VPC3之間的橋梁,負責將MCF51EM256送來的數據傳給VPC3,同時將VPC3拆包后的數據下傳給MCF51EM256。馬達控制器和PROFIBUS-DP接口之間采用RS485串行接口交換數據(通訊協議滿足MODBUS),馬達控制器和PROFIBUS-DP接口為兩塊相對獨立的模塊,如不需聯網,可以不選用此功能,這樣可以降低產品的成本。

圖3 ARD原理圖
四、簡便快捷的操作功能
ARD具備非常廣泛的控制功能,它可以靈活的作為電動機直接起動器,雙向起動器,星三角起動器,同時還可以作為變級開關,電磁閥起動器。
由于該裝置實際上就是一套分散分布式的低壓馬達智能控制保護系統,所以它同其它的控制系統(如DCS系統)仍保持相對的獨立性,當上一級的控制系統或通訊系統發生故障,它可自動切換到手動模式,來控制負荷的停運或者繼續運行,而此時,該裝置所保護的電動機連續運行的可能性大大加強。
按照ARD所做的電動機二次線,和傳統的二次線相比較,我們會發現,在滿足了各種條件的要求下,二次控制回路變得簡潔,標準,使我們徹底的擺脫了原來大量落后的繼電器給我們帶來的困擾,一次設計也更加得心應手,配合操作顯示模塊,完成各種測量,顯示,操作功能。
ARD可以使用已定義好的控制功能和基本的連鎖要求,來完成我們一些普通電動機控制,最大限度的減少程序輸入的工作量,減少出現錯誤的可能性,縮短程序循環的時間,更好的保證可靠性,同時可以更大程度的減少我們二次設計的工作量。
裝置可對電動機的接地故障進行保護和連續監視,對于三線式接線的電動機,可通過裝置內部的接地故障檢測裝置進行,另外,還可以通過連接一只外部矢量和電流互感器,精確的測出接地故障電流,通過對設定電流進行比較,來實現電動機失速保護。
五、新方案應用范例
ARD智能馬達控制器在應用上很靈活,通訊和顯示模式都是可選的,但其基本操作保護功能不改變。
5.1單機操作應用
在分散工作環境中,有大量單臺電機在工業生產中運行,這些電機可不要通訊功能,僅需可靠的起、停、故障保護、故障分析、運行參數查看。以很低的成本就能實現以上功能。其接線原理圖如下:
a)直接起動接線方式

圖4 {$page$}
b)雙向起動接線方式
ARD輸出兩個觸點,通過控制兩個接觸器控制電機的正反轉,也可以選用光耦觸點輸入,實現遠距離控制

圖5
c)星-三角起動接線方式
ARD輸出兩個觸點,通過時序控制三個接觸器,形成星三角起動方式,星三角起動的時序可整定。

圖6
d)出線測控應用
通過跟斷路器組合,實現“三遙”可監視三相電流和斷路器的分、合狀態,同時可用電平方式和脈沖方式對斷路器進行合、分操作。

圖7
5.2總線組網MMC馬達控制中心
MCC馬達控制中心是ARD最能展示其優勢的應用的地方,可以通過組網集中控制電機,通過串行接口,實現與現場總線系統的連接,可選用PROFIBUS或MODBUS協議,通過通訊組網,控制中心可以采集到每臺電機的當前運行參數,同時也可以通過上位機的組態軟件,對所有電機實現邏輯操作控制,實現工程師工作站,做到馬達控制中心的無人值守。
ARD具有小巧的結構,對于100A以下的ARD馬達控制器可安裝于1/4的抽屜柜,820A以下的ARD可以安裝于1/2的抽屜柜,采用上述設備的具有可通訊功能的智能型低壓開關柜,可將所有的控制保護,測量,通訊,功能集成在一個抽屜元內,使設計的整個控制系統相互之間的連線非常少,節省了控制級與現場之間的布線成本。
抽屜式開關柜朝緊湊型發展是必然的,ARD智能控制器在MCC控制中心的應用,使二次接線更加簡捷,低廉。同時提高了控制回路的可靠性和自動化水平。目前,由于電機的應用涉及到發電,化工,環保等多種工業場所,在這些場所ARD都能發揮其智能控制的優勢。
ARD可通過串行接口,實現與現場總線系統的連接,通過通訊組網,可實現“四遙”監控管理。
總線系統結構分兩種分別如下圖:
(1)系統結構圖:

圖8

圖9
圖8結構可選MODBUS或PROFIBUS兩種協議進行數據傳輸,ARD馬達控制器當選用MODBUS協議時,N最多可為255個站,當選用PROFIBUS時,N最多可選用127個站,但每31個從站之間需加一個中繼。
圖9結構采用DP協議網關進行數據傳輸,由于采用網關,最多可接127×32個從站。圖中主站根據需要可選工控電腦、PLC、HMI等,傳輸介質根據工程需要可選:屏蔽雙絞線、光纖、無線傳輸或電力載波等。
ARD可采用PROFIBUS或者成本低廉的MODBUS現場總線組網,在工業控制系統中,我們可以把就地ARD馬達控制保護器和上級DCS系統之間構成高性能的通訊,所有的控制命令,運行數據均可通過屏蔽雙絞線,玻璃纖維光纜傳輸,這樣我們在保證傳輸數據準確,迅速,傳輸距離遠的同時,可以大量的節省由當地至集控室的聯系電纜。
六、ARD電動機保護器選型
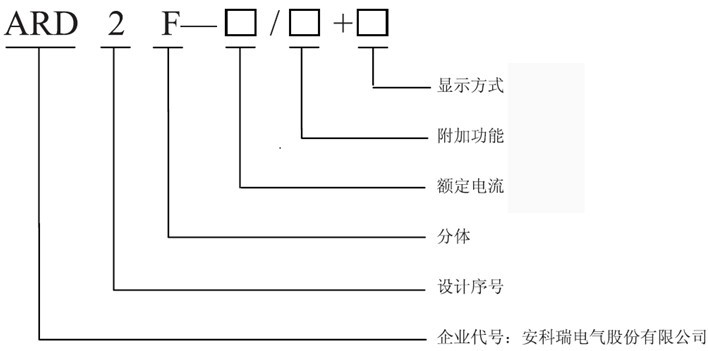
ARD2F型號如下所示:
1.ARD2F型號如下所示:

圖10 ARD2F型號說明
表1 額定電流

表2 額定電流附加說明

注:表2數據適用于AC400V,50Hz,1500轉/分的四極鼠籠式電動機
表3 附加功能代碼

注:1、帶有起動控制時,保護器最多提供2個起動繼電器用于順序控制外部2個接觸器的閉合/斷開,從而實現電動機的不同起動方式(如Y-?轉換起動、正反轉控制,自耦降壓起動等);
2、溫度保護的測量范圍:熱電阻100Ω~30kΩ;
3、對于無顯示要求的客戶,必須在一批訂單中訂購一個90FL顯示單元,作為調試使用。
表4 顯示方式

七、結束語
綜上所述,對于工業生產的低壓馬達控制保護系統,提供了一種嶄新的概念,通過ARD即可實現對電動機完全的保護和監控,也可實現其他動力出現的“三遙”測控,而無需再另外安裝其他保護和控制設備。因此,使總投資成本下降,又大幅度提高電機控制的可靠性和自動化水平,新型馬達控制保護方案的推廣運用是必然的趨勢。
參考文獻:
《ST500馬達智能控制器在工業生產過程控制中的應用》
《現場總線技術的發展及其在開關柜中的應用》
《智能化低壓電控配電系統國內外對照》
《帶PROFIBUS-DP接口的智能馬達控制器》<