定貨料號 Number of Order:  U1414HXX41A1
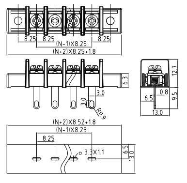
間距 Pitch: 8.25mm
位數:Poles:  2P~28P
規格說明  Specifications
電氣性能 Electrical:  UL 
額定電壓 Voltage rating:  300V
額定電流 Current rating: 20A
適用線徑 Solid Wire(AWG):  12-22
最大鎖緊扭力  Torque: 10kgf.cm/M3.0  
使用溫度范圍 Operating  -40℃to+105℃
耐電壓值 Withstanding Voltage:  2500VAC



