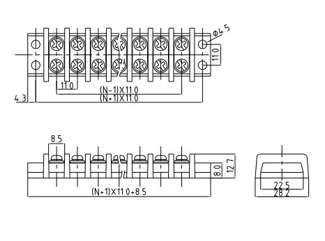
定貨料號 Number of Order:  U6200LXX41A1
間距 Pitch: 11.0mm
位數:Poles:  2P~24P
規格說明  Specifications
電氣性能 Electrical:  UL 
額定電壓 Voltage rating:  300V
額定電流 Current rating:   20A
適用線徑 Solid Wire(AWG):  12-16
最大鎖緊扭力  Torque: 12kgf.cm/M4.0
使用溫度范圍 Operating  -40℃to+105℃
耐電壓值 Withstanding Voltage:  2500VAC


