


 
  
Description:
Electrical
Voltage: 50V AC(RMS)/DC
Cruuent:
Contact Resistance: 50mΩmax
Insulation Resistance:50mΩmax
Dielectric Withstanding Voltage: 250VAC.RMS
Operating Temp:
Materials
Housing:High temperature Plastic UL94V-0
Pin: BRASS
Fitting Nail:BRASS
Apply for (Circuit/2)=Even
Terminal:Copper Alloy
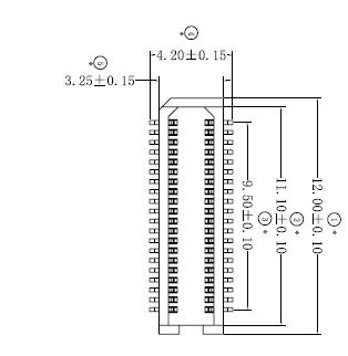
1、Pitch:
2、PIN: 10P 12P 14P 16P 18P 20P 22P 24P 26P 28P 30P 40PIN