摘要:使用英威騰GD200A變頻器控制螺桿泵恒壓往壓濾機輸送物料,達到污水過濾為清水的過程。
一、 引言
由于工業發展以及生活導致環境污染問題越來越嚴重,引起工業化國家的重視,全社會正在重視和處理污染問題。于是污水處理顯得刻不容緩,公司經營的過濾產品訂單巨長,而隨著工業控制技術的發展,對于污水處理控制,自動化需求也越來越高。
壓濾機是一種常用的固液分離設備,廣泛用于化工、制藥、冶金、染料、食品、陶瓷以及環保等行業。利用一種特殊的過濾介質,通過螺桿泵等泵類對對象施加一定的壓力,使得液體滲析出來。
二、 控制要求
使用英威騰Goodrive200A驅動單螺桿泵電機,從污泥池中抽取污泥送往壓濾機中過濾,達到固液分離的效果。過濾完成后,然后再由另一臺英威騰變頻器驅動單螺桿泵,往壓濾機鼓模板中打水,進一步擠壓物料中的水分,達到更好的過濾效果(即降低含水率)。
運行過程中,由現場安裝在管道上的壓力變送器檢測壓力并反饋到儀表控制器,通過PID控制器輸出頻率給定變頻器,從而實現恒壓供料的控制,使污泥的運送穩定的進行,達到最佳的過濾效果。
三、英威騰變頻器介紹
Goodrive200A變頻器是英威騰公司開發的新一代矢量型變頻器,可用來控制異步交流感應電機,產品采用與目前國際最領先完全同步的無速度傳感器矢量控制技術,運用DSP控制系統,并且強化產品的可靠性和環境的適應性,功能更優化,應用更靈活,性能更穩定。
Goodrive200A變頻器具有優異的矢量控制性能,實現轉矩控制、速度控制的一體化,能滿足不同客戶多種應用需求。同時,Goodrive200A變頻器具有超出同類產品的防跳閘性能和適應惡劣電網、溫度、濕度和粉塵能力,極大提高產品可靠性。
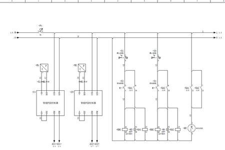
四、系統接線及調試

圖一主電路

圖二控制電路

圖三實際接線圖

圖四柜內接線

圖五柜體布局

圖六現場控制泵圖

圖七現場儀表
五、 結束語
由于螺桿泵啟動轉矩非常大,這就需要矢量型變頻器,啟動轉矩大,且過載能力強,英威騰GD200A變頻器的過載能力是150%額定電流1分鐘,180%額定電流10秒,200%額定電流1秒,起動轉矩為0.5HZ/150%(無PG矢量控制),經過現場試驗,能夠完美的啟動螺桿泵并穩定地運行,之前用其他品牌的變頻器均存在起動能力不足,跳過電流故障的原因,使用英威騰變頻器再也不用擔心啟動不了螺桿泵了。
眾所周知,PID控制的最終結果,是恒壓控制運行,而對于螺桿泵的恒壓控制,不像恒壓供水,因為始終有要用水的地方,螺桿泵輸送的物料,送往壓濾機,而壓濾機是個密閉的空間,隨著容積的增加,濾液的減少,到最后要使得恒壓運行,變頻器的頻率將會越來越低,經現場試驗幾個過濾周期,在3HZ頻率上還能夠穩定運行并保持恒壓,不得不說,這就是我想要的產品。
參考文獻
[1] 《英威騰 Goodrive200A系列變頻器 產品說明書》深圳市英威騰股份有限公司<
http:www.toastsoft.com/news/2016-12/20161228102156.html
