今年全球電動車市場整體表現不俗,主要歸功于中國市場政策支持推動,前景持續看好。2015年中國電動車銷售量達13萬輛水準,年成長高達20%,而在整體銷售量中純電動車即占有64%。而為新能源電動汽車提供充電服務的充電樁的搭建自然也是緊鑼密鼓。充電樁的功能類似于加油站里面的加油機,可以固定在地面或墻壁,安裝于公共建筑(公共樓宇、商場、公共停車場等)和居民小區停車場或充電站內,可以根據不同的電壓等級為各種型號的電動汽車充電。723座充電站,28000個充電樁。這是工信部關于目前我國國內充電站和充電樁最新的統計。而這兩個數字還在快速更新著。充電樁市場正強勁增長,而為充電樁提供雷擊浪涌防護方案的電路保護器件供應商自然也是滿盤缽金,為充電樁提供雷擊浪涌防護的電路保護器件也廣受市場熱捧。
充電樁的輸入端與交流電網直接連接,輸出端都裝有充電插頭用于為電動汽車充電。充電樁一般提供常規充電和快速充電兩種充電方式,人們可以使用特定的充電卡在 充電樁提供的人機交互操作界面上刷卡使用,進行相應的充電方式、充電時間、費用數據打印等操作,充電樁顯示屏能顯示充電量、費用、充電時間等數據。
充電樁電源要求:
① 輸入電壓:單相220V;
② 輸出功率:單相220V/5KW;
③ 頻率:50Hz±2Hz;
④ 允許電壓波動范圍為:單相220V±15%;
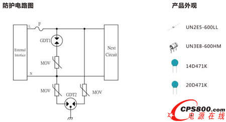
適用電源雷擊浪涌防護方案:

圖:充電樁AC220V電源防護方案電路圖
陶瓷氣體放電管
GDT【UN2E5-600LL】直流標稱電壓600±20%V,沖擊電流(8/20μS)5KA,電容值<1.0pF,電阻值>1GΩ,防護等級為中防護等級
GDT【UN3E8-600HM】直流標稱電壓600±20%V,沖擊電流(8/20μS)20KA,電容值<1.5pF,電阻值>1GΩ,防護等級為高防護等級
壓敏電阻
MOV【14D471K】壓敏電壓(at1mA):423V-517V,突波電流耐量(8/20μS):4500A,最大抑制電壓(at5A):775V,防護等級為中防護等級
MOV【20D471K】壓敏電壓(at1mA):423V-517V,突波電流耐量(8/20μS):6500V,最大抑制電壓(at5A):775V,防護等級為高防護等級
浪涌保護器作為防雷工程的重要元件在安裝過程中一定要仔細,這不僅關乎著用電設備的正常使用,還關乎著人身用電安全。在同一電源系統中,當安裝在電源裝置的起點處的浪涌保護器的保護電壓水平Up≤末端被保護設備的耐壓水平的50%時,可僅安裝一級浪涌保護器。在供電電壓超過所規定的10%及諧波使電壓幅值加大的場所,應根據具體情況對壓敏電阻浪涌保護器提高Uc值。<
http:www.toastsoft.com/news/2016-1/201611992714.html
 
		 
       
 0755-82905460  
			 郵箱
0755-82905460  
			 郵箱  :
 :