順源新推出智能化隔離放大器IC
導讀:業界領先技術小體積低成本模擬信號可編程控制隔離放大器IC,可將傳感器、儀器儀表、變送器輸出的模擬信號隔離放大、AD轉換為PWM方波信號,并實現脈沖頻率控制可編程輸出。現場各種傳感器、變送器、儀器儀表及控制設備嵌入安裝該IC后能立即與CAN總線系統、PC機、PLC/DCS組成以太網/物聯網、RS232/CAN總線網絡并聯網通訊,將現場傳統控制設備升級為工控智能化設備,方便用戶遠程監控。
順源科技是07年深圳市高新技術企業及2011年、2014年國家高新技術企業。公司以“客戶的成功,我們的價值”為經營理念,按照ISO 2008質量技術管理體系的要求,堅持開展改進、改善、創新工作,不斷提高產品質量、降低生產成本、拓展產品應用范圍、推陳出新研發新品。以適應當前電子信息技術前日新月異發展的形勢及滿足客戶產品研發創新和升級換代需求。
順源科技在DC-DC模塊電源、數據采集器、隔離放大器、隔離變送器、顯示控制儀表方面有10多年的設計、生產和應用經驗,全系列產品有20多項國家專利和軟件著作權。公司專業的工程師團隊在更深入的理解和設計知識方面,相對于同行業競爭者有絕對的優勢。為需要解決信號干擾、信號負載匹配、地線隔離、電源轉換、數據采集、信號隔離、AD/DA轉換等用戶提供了大量解決方案。順源的每個產品所用器件原材料都超出所預定的規格來設計生產出高穩定性的產品,這些保證了產品在各種惡劣環境運行過程中展現良好的性能。
本次研發的新產品: ISO U(A)-P-D-Q系列產品是順源新開發的業界領先技術小體積(SIP12 Pin)低成本可編程控制型隔離變送器。可以將傳感器、儀器儀表、變送器輸出的模擬信號隔離放大、AD轉換為PWM方波信號,并實現脈沖頻率控制可編程輸出。傳感器、變送器、儀器儀表及控制設備嵌入安裝該IC后能立即與PC機、PLC/DCS組成以太網/物聯網、RS232總線網絡并聯網通訊,將現場傳統控制設備升級為工控智能化設備,方便用戶遠程監控。
SunYuan ISO U(A)-P-D-Q在同一模塊內集成了多路高隔離DC/DC電源、模擬放大與變換電路、可編程MCU、信號隔離控制電路等,特別適用于工業現場模擬信號的AD隔離變送,現場總線、以太網物聯網、PLC/DCS上位機對多路傳感器信號采集和分析。內部集成的高效率DC-DC隔離電源,分別給內部的輸入調理電路、微型單片機AD轉換電路和輸出信號隔離電路供電。 SMD工藝結構及新技術隔離措施使該器件能達到:輔助電源與模擬信號輸入、PWM信號輸出的2500VAC三隔離,輸入信號與通訊串口共地。并且能滿足工業級寬溫度、潮濕、震動的現場惡劣工作環境要求。
SunYuan ISO U(A)-P-D-Q系列產品使用非常方便,無需外接任何元件即可實現模擬信號與PWM信號的隔離變送功能。12腳單列直插的超小體積(33.0X15.5X10.5mm)及標準PCB板上安裝設計,有效簡化用戶系統設計方案選擇,降低體積和布線成本。產品有PCB板上安裝的IC封裝、DIN35標準導軌安裝和PIM面板顯示嵌入式安裝方式。 DIN導軌式安裝方式可實現信號一進一出隔離傳輸功能。 PIM 面板嵌入式智能化變送表可實現傳感器模擬信號隔離顯示、報警控制及遠距離無失真傳輸等多種功能。 廣泛應用在冶金采礦、石油化工、電力設備、醫療儀器、工業自動化、新能源設施及軍工科研等領域,用戶可根據現場需要選擇合適產品。
原理框圖

產品選型舉例
例1: 信號輸入:0-5V; 信號輸出:5KHz方波;100mSec的響應時間; 輔助電源:24VDC;
對應產品型號: ISO U1-P1-D3-Q01
例2: 信號輸入:0-20mA;信號輸出:25KHz方波; 500mSec響應時間;輔助電源:12VDC;
對應產品型號: ISO A3-P2-D5-Q05
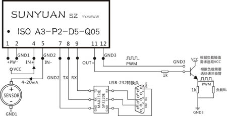
典型應用接線圖


備注: IC模塊通訊口出來的電平是3.3V的TTL電平,如果客戶手上沒有USB轉TTL(3.3V)電平轉換頭,只有USB轉232線或者232轉232線,那么客戶使用我們的IC模塊的時候,必須另外加電平轉換芯片MAX232或者SP3220E,把IC模塊的TTL電平轉為232電平(15V)再接到轉換頭上。示意圖如下:

應用1:電流放大器來增強PWM 驅動帶載能力。
IC模塊本身輸出的PWM信號幅值為5V,電流驅動能力為100mA。
如果客戶想改變幅值或者擴大電流驅動能力,可以自行外接功率放大電路進行放大,參考電路如下(只供參考):

應用2:將傳感器、變送器輸出的模擬信號隔離轉換成PWM信號,用CAN總線模塊進行遠程無失真傳輸。

應用3:將傳感器、變送器輸出的模擬信號隔離轉換成PWM信號,用來調控直流電機轉速。

上位機通訊功能
ISO U(A)-P-D-Q系列IC具備與上位機通訊功能,通訊連接線:USB轉TTL(3.3V)電平線(該轉換線市面上可以購買),客戶使用時將IC腳位TX,RX,GND2分別與USB線的RX,TX,GND連接,利用串口調試助手可以讀取ADC轉換后的二進制值和占空比數值方便客戶對數據進行分析。串口調試助手設置為:波特率19200bps,無校驗位,8位數據位,1位停止位,如圖所示:
http:www.toastsoft.com/news/2015-6/201561515235.html
