低壓電機節能與控制系統
1、適用范圍
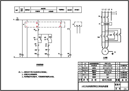
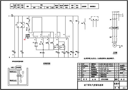
安科瑞低壓電機節能與控制系統適用于石油、化工、電力、煤炭、冶金、造紙、水泥等行業,可以實時對低壓電動機的運行狀態進行監測,對電機各類故障進行監測并存儲故障信息,可以生成各類實時曲線(電壓曲線、電流曲線等),為電機節能提供依據,并可實現電機節能管理。
2、系統構成
安科瑞低壓電機節能與控制系統由監控軟件、計算機和通訊網絡、低壓電機保護裝置、低壓多功能儀表、PLC、變頻器、軟啟等設備構成。

安科瑞低壓電機節能與控制系統產品構成
3、系統特點
3.1 實時監測電機回路
石化、電力、水泥等電機用量大戶,需要對電機進行實時監測,監測內容包括電機的電流、電壓、電能、頻率、電機狀態(起動、停止、報警、故障)等。在要求較高的場所還要對工藝參數進行監測,例如溫度、壓力等。本系統不僅可以監測電機電壓、電流還能做能耗統計,工藝參數監測,可以大幅提高企業自動化程度。
3.2 集中監控,利于節能
低壓電機節能系統對用電大戶電機進行實時能耗監測,監測到的數據可以作為節能依據,并可通過系統進行節能控制,利于電機節能應用。
3.3 提高自動化水平
安科瑞低壓電機節能系統是應用電力自動化技術、計算機技術和信息傳輸技術,集保護、監測、控制、通信等功能于一體的綜合系統,在本系統中可實時查看自控部分數據,用戶在監控室內即可了解全部電機運行情況、實際生產情況。
3.4 軟件功能強大
◆具有實時數據采集、參數設置、事件報警、曲線及電能分類管理。
◆實時顯示配電室內的用電狀態等信息;實時顯示系統設備運行狀態。
◆故障智能分析、設備檔案和電量統計信息上傳等功能。
◆提供低壓一次系統圖界面,便于系統維護通訊狀態監視。
◆提供主要設備用電信息,運行狀態等設備信息。
◆報警及操作記錄。報表查詢及打印,用戶權限管理等。
4、系統功能
4.1 配電系統一次圖顯示
通過計算機屏幕顯示各種仿真畫面,主要包括:
◆總配電系統一次圖
◆各變電所配電系統一次圖
通過后臺計算機顯示全部配電系統的一次接線圖,并提供變電所配電系統接線圖,各個回路的實時數據,各種警告信息、計算機監控信息狀態等,實時刷新各畫面上的運行參數和設備運行狀態。

系統主界面顯示
4.2 數據采集與處理
通過現場控制層單元實時采集配電系統各種模擬量、開關量、電度量等,并對所采用的量進行數字濾波,有效性檢查,電度計算等加工,從而產生出可供應用的電流、電壓、有功功率、無功功率、電度、功率因數等各種實時數據,供數據庫更新。
- 1
- 2
- 3
- 4
- 5
- 6
- 總6頁
http:www.toastsoft.com/news/2015-3/2015313184123.html










































