2021年8月11日,致力于亞太地區市場的領先半導體元器件分銷商---大聯大控股宣布,其旗下友尚推出基于安森美半導體(ON Semiconductor)NCP1342控制器IC的超小尺寸PD快充電源方案。

圖示1-大聯大友尚基于ON Semiconductor產品推出的PD快充電源方案的展示板圖
如今這個信息科技時代,智能科技產物已經與人們的生活息息相關,尤其是諸如手機、平板等智能移動電子設備的出現,極大程度的方便了人們的生活。然而雖然電子設備發展日新月異,但其續航能力一直是業內亟待解決的問題。因此,許多廠商在無法通過提升電池容量來解決的情況下,紛紛選擇了采用PD快充的方式來提高充電速度。
由大聯大友尚基于ON Semiconductor NCP1342控制器IC推出的PD快充電源方案,采用了新型的GaN材料,最大輸出功率為65W。在設計上,本方案采用了雙面板、最簡化的設計理念,外形尺寸僅為51.5mmX51.5mmX31mm,上下兩片1.0mm左右厚銅設計,既滿足EMI又具有良好的導熱性。

圖示2-大聯大友尚基于ON Semiconductor推出的PD快充電源方案的場景應用圖
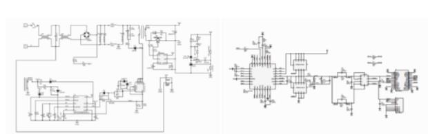
本方案的核心器件是ON Semiconductor NCP1342控制器IC,其具有專有的谷值鎖定電路,可確保穩定的谷值切換。在設計上,NCP1342采用最小峰值電流調制(MPCM)來快速降低開關頻率,以確保針對高頻設計的輕負載性能。不僅如此,NCP1342還內置若干關鍵保護電路,可確保實現堅固耐用的轉換器性能。

圖示3-大聯大友尚代理的ON Semiconductor NCP1342 Demo架構圖
核心技術優勢:
51.5mmX51.5mmX31mm超小體積,功率密度:1.26cm³/W;
QR架構,COST成本,外圍簡單性價比高;
93%的高效率,待機功耗小于100MW;
支持SCP、FCP、QC、PD、PPS多協議快充,覆蓋市面上98%以上的筆記本、手機、平板、移動電源、適配器電源。
方案規格:
輸入:110-240V~50/60HZ 1.5A;
USB-C輸出:
PPS:3.3-20V/3A;
PD3.0:5V/3A、9V/3A、12V/3A、15V/3A、20V/3.25A 65W Max。
USB-A口輸出:
APPLE5V2.4A;BC1.2DCP 5V1.5A,MTK PE1.1 PE2.0,MTK 2.0。
如有任何疑問,請登陸【大大通】進行提問,超過七百位技術專家在線實時為您解答。歡迎關注大聯大官方微博( 大聯大)及大聯大微信平臺:(公眾賬號中搜索“大聯大”或微信號wpg_holdings加關注)。
http:www.toastsoft.com/news/63195.htm
