2019年6月5日,致力于亞太地區市場的領先半導體元器件分銷商---大聯大控股宣布,其旗下世平推出基于恩智浦(NXP)KW36和NCF3320的BLE+NFC智能無鑰匙進入系統解決方案。
隨著人們對汽車智能化與舒適性的要求越來越高,無鑰匙進入和一鍵式啟動系統成為了智能化和舒適性的重要體現。汽車無鑰匙進入系統發展至今已跨入智能時代,BLE和NFC成為了智能進入系統的核心技術。為了適應汽車無鑰匙進入的智能化發展趨勢,大聯大世平推出了基于NXP KW36和NXP NCF3320的藍牙+NFC智能無鑰匙進入系統。該系統可通過藍牙和NFC功能進行身份驗證并開啟車門和發動引擎,支持多種藍牙設備(手機、手環等)及手機NFC或NFC卡片進入并啟動車輛。
圖示1-大聯大世平推出基于NXP的BLE+NFC智能無鑰匙進入系統解決方案的展示板圖
核心技術優勢
同時支持手機藍牙和手機NFC功能進行身份驗證來開啟車門和發動汽車;
多種加密安全身份認證和支持UWB定位算法;
符合車規等級的藍牙、NFC芯片。NFC開鎖是BLE開鎖的備選方案,以確保在藍牙設備(如手機、手環等)處于沒有電的狀況下仍然可以使用NFC技術開鎖;
集成小型HS-CAN SBC支持CAN FD通信和喚醒;
小尺寸可安放于車門把手中;
相對以往的IMMO無鑰匙進入而言,藍牙無鑰匙進入的成本較低,更具有競爭優勢;
雙向交互,支持藍牙手機、手環等帶屏設備隨時監控車輛狀況;
最多可支持8個BLE 5.0用戶連接,主用戶可授權次用戶,還可設定時間。
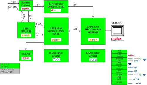
圖示2-大聯大世平推出基于NXP的BLE+NFC智能無鑰匙進入系統解決方案的方案塊圖
方案規格
Arm®Cortex®-M0+處理器,32-bit MCU,512KB Flash,64KB SRAM,8KB EEPROM,48MHz;
CAN&LIN連接支持;
NCF3320支持近場通信距離最遠可達10cm;
BLE通信距離可達30-50m;
DC 9V to 40V寬電源輸入;
低功耗:收發器電流(DC-DC降壓模式,3.6 V電源);典型Rx電流:6.3mA;典型Tx電流:5.7mA(0 dBm輸出);低功耗模式(VLLS0)電流:258nA。
如有任何疑問,請登陸【大大通】進行提問,超過七百位技術專家在線實時為您解答。歡迎關注大聯大官方微博( 大聯大)及大聯大微信平臺:(公眾賬號中搜索“大聯大”或微信號wpg_holdings加關注)。
關于大聯大控股:
大聯大控股是全球第一,亞太區最大的半導體零組件通路商,總部位于臺北,旗下擁有世平、品佳、詮鼎及友尚,員工人數約5,100人,代理產品供貨商超過250家,全球約105個分銷據點,2018年營業額達180.7億美金。(*市場排名依Gartner公布數據)
大聯大控股開創產業控股平臺,持續優化前端行銷與后勤支持團隊,扮演產業供應鏈專業伙伴,提供需求創造(Demand Creation)、交鑰匙解決方案(Turnkey Solution)、技術支持、倉儲物流與電子商務等加值型服務,滿足原始設備制造商(OEM)、原始設計制造商(ODM)、電子制造服務商(EMS)及中小型企業等不同客戶需求。國際化營運規模與在地化彈性,長期深耕亞太市場,連續18年獲得由專業媒體評選的「全球分銷商卓越表現獎」。面臨新制造趨勢,大聯大控股正轉型成數據驅動(Data-Driven)企業,發揮供應鏈管理強項,以C2B(以人為本)態度,建構串連產業圈信息的全供應鏈透明平臺-「大大網」,期望依大型客戶及中小型客戶不同需求,提供個性化服務體驗,并持續優化彈性管理能力,解決客戶的痛點(Gap)。
大聯大以「產業首選.通路標竿」為愿景,全面推行「團隊、誠信、專業、效能」之核心價值觀,以專業服務,創造供貨商、客戶與股東共榮共贏。
http:www.toastsoft.com/news/61935.htm
