常用的濾波電路有無源濾波和有源濾波兩大類。電容濾波為無源濾波,本文詳細介紹了電容濾波的工作原理以及其作用。
濾波電容的作用簡單講是使濾波后輸出的電壓為穩定的直流電壓,其工作原理是整流電壓高于電容電壓時電容充電,當整流電壓低于電容電壓時電容放電,在充放電的過程中,使輸出電壓基本穩定。
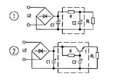
濾波電容容量大,因此一般采用電解電容,在接線時要注意電解電容的正、負極。電容濾波電路利用電容的充、放電作用,使輸出電壓趨于平滑。
★當u2為正半周并且數值大于電容兩端電壓uC時,二極管D1和D3管導通,D2和D4管截止,電流一路流經負載電阻RL,另一路對電容C充電。當uC>u2,導致D1和D3管反向偏置而截止,電容通過負載電阻R放電,uC按指數規律緩慢下降。

★當u2為負半周幅值變化到恰好大于uC時,D2和D4因加正向電壓變為導通狀態,u2再次對C充電,uC上升到u2的峰值后又開始下降;下降到一定數值時D2和D4變為截止,C對RL放電,uC按指數規律下降;放電到一定數值時D1和D3變為導通,重復上述過程。
RL、C對充放電的影響:
電容充電時間常數為rDC,因為二極管的rD很小,所以充電時間常數小,充電速度快;RLC為放電時間常數,因為RL較大,放電時間常數遠大于充電時間常數,因此,濾波效果取決于放電時間常數。電容C愈大,負載電阻RL愈大,濾波后輸出電壓愈平滑,并且其平均值愈大,如圖所示。

整流電路是將交流電變成直流電的一種電路,但其輸出的直流電的脈動成分較大,而一般電子設備所需直流電源的脈動系數要求小于0.01.故整流輸出的電壓必須采取一定的措施.盡量降低輸出電壓中的脈動成分,同時要盡量保存輸出電壓中的直流成分,使輸出電壓接近于較理想的直流電,這樣的電路就是直流電源中的濾波電路。
常用的濾波電路有無源濾波和有源濾波兩大類。無源濾波的主要形式有電容濾波、電感濾波和復式濾波(包括倒L型、 LC濾波、LCπ型濾波和RCπ型濾等)有源濾波的主要形式是有源RC濾波,也被稱作電子濾波器。
直流電中的脈動成分的大小用脈動系數來表示,此值越大,則濾波器的濾波效果越差。
- 1
- 2
- 總2頁
http:www.toastsoft.com/news/57766.htm
 
		 
       

 0755-82905460  
			 郵箱
0755-82905460  
			 郵箱  :
 :