智能控制器在風機及水泵中的應用
凌曉杰1 陸偉青2
(1.浙江省超維建筑設計院 浙江杭州 310011 )
(2.安科瑞電氣股份有限公司 上海嘉定 201801)
摘要:隨著建筑行業快速發展,BA設備監控系統,通過聯網,對分布于監控現場的區域智能分站(即DDC)與各種特定的末端設備進行連接,對建筑內的各種用電設備(如送排風風機、給排水、電梯、照明等)進行實時集中監視和管理的專業樓宇自動化控制。本文以風機、水泵為對象,結合建筑行業應用標準,介紹了風機水泵的工作原理和控制要求,最后結合智能控制器給出專業化解決方案。
一、引言
風機、水泵是一種通用類機械,廣泛應用于工業、農業及生活等各個領域,同時各類設計規范對于風機、水泵在建筑領域不同場合下的控制保護也有相應的具體要求。隨著建筑行業快速發展,樓宇自動監控系統(BAS,Build Automatic Monitor System)也普遍應用于樓宇和大型公共建筑建設項目中。
二、智能控制器
智能控制器采用Freescale公司推出的32位ColdFire V1 內核MCF51EM256的處理器作為控制核心,4路16位SAR型ADC,3個SPI、3個SCI和1個I2C接口,3個定時模塊硬件,獨立的RTC時鐘和兩個安全的FLASH內存,豐富的GPIO口,豐富的CPU片山資源保證了模塊的可靠性和先進性。
控制器集測量、保護、控制、總線通訊為一體,取代了原有用分列元件配置的各種保護繼電器、電測儀表、轉換開關、按鈕及信號指示燈,集成了直接啟動、星三角啟動等多種控制方式。同時提供操作次數、運行時間、跳閘事件等重要管理信息的記錄,總線通信功能可以同管理系統進行數據交換和遠程控制,提高了樓宇智能化水平,簡化了傳統的控制柜設計。
2.1 控制器的結構
控制器主要由顯示控制主體、互感器組成。顯示控制主體由控制面板、人機交互界面,信號處理電路、4-20mA模擬量(水位)信號互感器信號采集,開關狀態采集、蜂鳴器報警電路、繼電器執行輸出機構組成。互感器采用三位一體組合式結構,5P10保護型互感器。
2.2 控制器的功能特點
1)電參量計量:電流、電壓、功率、功率因素及電能等。
2)豐富的保護功能:過壓/欠壓、相序、啟動超時、過載、欠載(干轉)、短路、接地/漏電、堵轉/阻塞、外部故障等。
3)豐富的診斷數據:早期報警信息(用于設備的早期維護)、帶時間戳的故障記錄、回檢故障(如發出啟動控制命令后,主回路中沒有電流)等。
4)多種信號檢測:浮球式液位傳感器、干簧式液位傳感器、4-20mA液位變送器、壓力、溫度等信號。
5)手動/自動模式:壓力、溫度、水位手動/自動交替互備運行,支持中水位一臺水泵運行,高水位兩臺水泵同時運行。
6)集成RS485 通訊接口,Modbus-RTU通訊協議,可以實現設備的組網運行、后臺監控等功能。
7)集成2個獨立的定時器,具有定時啟泵功能。
8)AC/DC電源供給。
三、風機控制方案
國家標準設計圖集《常用電機控制電路》(10D303-2)收集了建筑中常用風機的控制電路,羅列了排煙風機、兩用單速風機、排風兼排煙兩用雙速風機等幾種方案,方便電氣設計人員進行設計,提高了工作效率。但隨著建筑節能要求和建筑設備監控系統技術規范的推出,采用原來圖集分立元件方式的控制方案已無法滿足設備升級的要求和監控系統對設備監控內容的需求。
3.1 普通風機控制原理
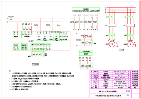
標準對普通風機與電動風閥的聯動要求為:“所有交流電動機均應裝設相間短路、接地故障保護,并根據具體情況分別裝設過載、斷相及低電壓保護”。風機啟動時,風閥開啟:返回手動/自動模式至DDC,自動模式下接收DDC控制信號,運行過程中出現短路、過負荷故障時進行保護,指示燈報警,且將風機故障信號返回至控制中心。

圖1 普通風機控制電路圖
3.2 排風兼排煙兩用風機控制原理
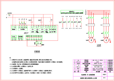
《民用建筑電氣設計規范》(JGJ/T 16-2008)7.6.4條:“對于突然斷電比過負荷造成的損失更大的線路,該線路的過負荷保護應作用于信號而不是應切斷電路。”過負荷保護的對象有兩個:一個是消防設備,即電動機;另一個是為這些消防設備配電的線路。控制要求包括:1)當接收到(常閉)主令信號后,允許通過控制面板、現場就地箱或DDC控制中心對風機啟/停控制。2)三地控制權限由控制面板選擇決定。3)平時運行時,如果出現過載、斷相等故障,則保護動作。4)當有消防應急信號或消防中心信號后,風機必須啟動,運行過程中出現故障時只報警不脫扣,且將報警信號返回至控制中心。5)排煙280°防火閥與排煙風機的聯動控制,排煙防火閥常開,關閉時聯鎖排煙風機關閉,將排煙防火閥關閉信號輸出至監控中心。

圖2排風兼排煙兩用風機控制電路圖
排風和消防合用系統中廣泛采用雙速電機。平時排風換氣時,風機低速運行,當發生火災時,風機立即轉為高速運行,作為排煙風機使用,控制原理類同于兩用風機。雙速風機是通風和消防系統的重要設備,其運行和控制質量直接關系到相關系統運行的可靠性,一般在人防工程中均采用此類設計。
四、水泵控制方案
《全國民用建筑工程設計技術措施》對排水泵的控制要求:公共建筑內應以每個生活排水、集水池為單元設置一臺備用泵,平時宜交替運行。地下室、設備機房、車庫沖洗地面的排水,若有兩臺及兩臺以上排水泵時可不設備用泵。對于集水池應設置水位指示裝置,必要時應設置超警戒水位報警裝置,并將信號引至物業管理中心。同時對于下列四類建筑物應采取消防排水措施:消防水泵房 、設有消防給水系統的地下室、消防電梯的井底、倉庫。
4.1排水(污)泵一用一備控制
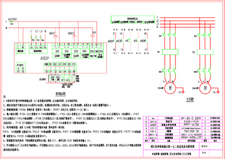
圖3為排水(污)泵一用一備控制電路圖,面板手動控制、液位自動控制,液位高度指示、工作狀態指示、手/自動模式上傳監控中心、自動模式兩泵交替運行。如工作在消防排水模式,僅需通過菜單選擇一主二備工作模式,將二號泵備用泵切換到報警即可滿足設計要求,簡化了電氣設計。

圖3排水(污)泵一用一備控制電路圖
4.2熱水循環泵一用一備控制
圖4為熱水循環泵一用一備控制電路圖,智能控制器通過檢測外部的溫度信號來啟/停水泵,在遠控模式下,接收DDC樓宇控制命令,實現熱系統的高效控制。

圖4熱水循環泵一用一備控制電路圖
4.3消火栓和噴淋穩壓泵控制原理
圖5為消火栓和噴淋穩壓泵一主二備直接啟動控制電路圖,智能控制器通過檢測外部的壓力信號來啟/停水泵,當主泵出現過載斷相故障時,備用泵投入運行,備用泵過載只報警不脫扣。當接收到消防應急控制信號或消防聯動控制信號時,相應水泵必須啟動,即使水泵已出現故障,運行時出現(過載等)故障則控制器報警。

圖5消火栓和噴淋穩壓泵一主二備直接啟動控制電路圖
五、結束語
本文就建筑中風機、水泵設備監控的設計應用,從設計依據、控制原理、保護依據等諸多方面進行分析探討,討論了ARD智能控制器的功能特點和具體用法,并列舉了某工程項目采用智能控制器實現的電氣接線圖,有利于建筑設備監控系統的設計,為建筑電氣設計提供參考依據。
參考文獻
【1】中華人民共和國建設部.民用建筑電氣設計規范( JGJ 16-2008 )【S】. 北京:中國建筑工業出版社,2009.
【2】中華人民共和國住房和城鄉建設部. 建筑設備監控系統工程技術規范(JGJ/T 334-2014)【S】. 北京:中國建筑工業出版社,2015.
【3】中華人民共和國住房和城鄉建設部. 消防給水及消火栓系統技術規范(GB50974-2014)【S】. 北京:中國建筑工業出版社,2015.
【4】中華人民共和國住房和城鄉建設部. 建筑給水排水設計規范(GB50015-2003)【S】. 北京:中國計劃出版社出版,2010.
【5】住房和城鄉建設部工程質量安全監管司,中國建筑標準設計研究院編.全國民用建筑工程設計技術措施:給水排水【M】. 北京:中國計劃出版社出版 2009.
【6】中國建筑標準設計研究院 編. 常用電機控制電路圖(10D303-2~3)【M】. 北京:中國計劃出版社出版,2010.
【7】李炳華. 淺談建筑電氣新技術的應用【J】.智能建筑電氣技術,2010(6)<
http:www.toastsoft.com/news/57651.htm
 
		 
       
 0755-82905460  
			 郵箱
0755-82905460  
			 郵箱  :
 :