無觸點照明穩壓器在核電廠照明中的應用
摘 要:
   在核電廠照明供電系統中,采用無觸點調壓技術的交流穩壓電源,給照明負載提供穩定的額定電壓,這樣既能保證良好的照明質量,又能延長電光源的使用壽命,還能降低核電廠的自身用電率,是一種能產生多重效益的必要的照明安全節能控制方案。 
關鍵詞:核電廠照明、無觸點照明穩壓器 
   核電是一種高效低碳的清潔能源,在減少環境污染、減少碳排放、以及國家能源結構的調整正發揮越來越大的作用。目前,我國的核電方針也由原來的“適度發展核電”調整為“積極推進和發展核電”,同時國家正式把核電和高鐵作為我國出口的兩張“名片”,體現了國家對核電發展的重視和認可。 
一、 核電廠照明安全與解決方案 
    照明是核電廠安全生產的重要組成部分,可靠高效的照明系統對于核電廠保障工作環境,提高生產效率和經濟效益有著重大意義,F在的核電廠照明,雖然都已采用高壓鈉燈、金鹵燈等高效長壽命光源,但有些區域的照明電壓偏高。過高的電壓會使電光源加速損壞,壽命大大縮短。同時,在核電廠中一些大型設備啟停操作時,照明電壓也會顯著波動,并產生浪涌過電壓,這既會影響照明質量,又會對電光源造成損害。 
    基于上述情況,在核電廠照明供電系統中,有必要采用交流穩壓電源,給照明負載提供穩定的額定電壓,這樣既能保證良好的照明質量,又能延長電光源的使用壽命,還能降低核電廠的自身用電率,是一種能產生多重效益的很好的解決方案。 
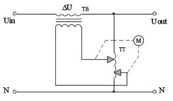
   由于核電廠和其它常規發電廠相比,有著一系列的特殊性,因此核電廠的設計、運行等方面都有一系列嚴格的安全規范必須遵守,核電廠的照明系統,同樣應遵循相關安全規范。目前市場上的交流穩壓電源,調壓電路大多是機械碳刷形式的(見圖1),其調壓工作原理為,伺服電機M通過鏈條帶動碳刷在接觸式調壓器TT的線圈上移動,來調節穩定輸出電壓。這種在主電路上采用帶電移動部件的結構,不能滿足核電廠對于電氣設備的抗震要求。同時,在碳刷調壓中,碳刷磨損經常需要維護更換,碳刷與調壓線圈接觸不良時容易產生火花引起高頻干擾等,也是機械碳刷交流穩壓電源的明顯缺陷。 
           圖1. 機械碳刷式交流穩壓器主電路圖 
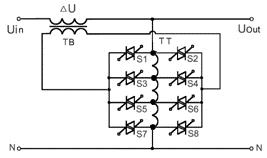
   上海潘登新電源公司生產的SBW5B無觸點照明穩壓器,采用無觸點調壓技術,調壓器件為晶閘管模塊(見圖2),整機無機械、無碳刷。無觸點調壓過程中,不會產生電弧火花。 
二、 SBW5B無觸點照明穩壓器的工作原理 
   圖2. SBW5B無觸點照明穩壓器的主電路圖(其中一相) 
   SBW5B無觸點照明穩壓器的主電路(其中一相)見圖2,它是采用補償式無觸點交流調壓技術,補償變壓器TB的副邊線圈串聯在主電路中,TB是調節輸入電壓Uin與輸出電壓Uout之間電壓差的主要部件。由圖2可知,不計補償變壓器TB上的電抗壓降,有: 
Uout = Uin ± △U 
式中:Uin——穩壓器的輸入相電壓 
Uout——穩壓器的輸出相電壓 
△U——穩壓器一相的補償電壓 
    主電路中的調壓變壓器TT有四個抽頭,連接了8個雙向晶閘管(S1,S3,S5,S7為左橋臂組,S2,S4,S6,S8為右橋臂組)。任何時候只能同時導通左右橋臂上的各一只雙向晶閘管,這樣就能根據輸入、輸出電壓的變化,控制左右橋臂上的雙向晶閘管形成不同的導通組合,來切換調壓變壓器TT的不同抽頭,給補償變壓器TB提供不同的原邊電壓,從而改變其副邊電壓(也即補償電壓)△U的大小和極性,達到穩定輸出電壓的目的。 
  如:假定補償變壓器TB的變壓比為220/20V,當輸入電壓Uin下降為200V時,控制S2,S7兩只晶閘管導通,就能使串聯在主電路中的補償電壓△U為+20V,抵消輸入電壓的下降值,使輸出電壓Uout仍保持在220V額定值。 
    當輸入電壓Uin在200V~220之間時,可控制S4,S7導通,或S6,S7導通,使補償電壓△U為一合適的數值,抵消輸入電壓的下降值,將輸出電壓Uout穩定在額定值。 
當輸入電壓Uin上升為240V時,控制S1,S8兩只晶閘管導通,就能使串聯在主電路中的補償電壓△U為-20V,抵消輸入電壓的上升值,使輸出電壓Uout仍保持在220V額定值。 
   無觸點調壓是利用晶閘管作為電壓調節換檔開關,晶閘管模塊不是工作在移相調壓狀態,而是工作在開關狀態,因而不會產生任何諧波。 
               圖3. SBW5B無觸點照明穩壓器原理框圖 
   圖3是SBW5B無觸點照明穩壓器整機的原理框圖,該穩壓器主要由補償電路、調壓電路、主控板、輸入采樣電路、輸出采樣電路、輸出控制電路、保護電路、旁路電路,以及浪涌防護器等單元組成。 
   其工作過程為:當輸入電壓波動或負載變化時,通過各采樣電路獲取反饋電壓,經與基準電壓進行比較 判斷,然后由主控板輸出控制信號,控制調壓電路中相應的晶閘管模塊導通, 使補償電路產生極性和大小不同的補償電壓,達到穩定輸出電壓的目的。同時,主控板還對保護電路和輸出控制電路進行控制,產生相應的保護動作和輸出控制動作。 
    在SBW5B無觸點照明穩壓器的輸入端還安裝了全模保護的浪涌防護器,能保護穩壓器后端的照明設備,使其免受雷電及電網內部浪涌過電壓的危害。 
三、 SBW5B無觸點照明穩壓器的主要功能 

四、SBW5B無觸點照明穩壓器的安全性設計 
   為滿足核電廠安全性的要求,在SBW5B無觸點照明穩壓器的控制電路中,部分重要電路增設了冗余部件,如“主控板”采用了并聯冗余設計(兩塊主控板)。為保持冗余部件的獨立性,進行了實體隔離和電氣隔離,以使得在一塊主控板發生故障時,該冗余部件能執行所要求的功能。 
為滿足核電廠防震安全性的要求,穩壓器生產商在機柜設計與制作時,主要采取了以下措施: 
(1)、采用機柜框架+加強筋的方式來增加機柜強度; 
(2)、機柜框架采用對角線支撐結構,從柜頂直至柜底座; 
(3)、機柜儀表盤和部件機架,均固定在機柜框架的構件上。 
經過這些措施,SBW5B無觸點照明穩壓器通過了同濟大學土木工程防災國家重點實驗室的防震檢測認證。 
五、SBW5B無觸點照明穩壓器對節約電能和延長電光源使用壽命的作用 
   高壓氣體放電燈的工作特點為,過電壓運行時,電光源的工作電流也隨之增大,由電功率公式P=UIcosφ可知,隨著電壓、電流的增加,電光源的功耗也隨之增大。對于高壓氣體放電燈,大致可這樣來估算:電壓上升5%,電流也會增加大約5%,則功耗將會增加約10%。 
    SBW5B無觸點照明穩壓器可自動將電光源的供電電壓穩定在額定值,從而在電網過電壓時,電光源的功耗也不會增加。此外,電光源如果過電壓運行,隨著工作電流的增大,促使電弧管冷端溫度提高,所充金屬蒸氣的氣壓增高,耗能加大,氣體放電燈的壽命會大大縮短。因此,通過穩壓器給電光源提供穩定的額定電壓,也能使其使用壽命延長,維護、更換費用減少。 
六、結語 
    穩定的電壓有利于保證光源照度的穩定,同時延長光源的使用壽命。對于系統電壓偏高的場合,還能節約用電量。因此,對于照明系統和動力系統由同相同母線供電的情況下,為了避免大電機啟動時因為電壓波動而引起光源照度的變化,同時避免照明系統發生短路故障影響工藝設備的正常運行,可以考慮在照明系統安裝穩壓器。因為穩壓器帶有短路和接地等保護,在照明系統發生短路故障時,自動斷開故障線路,能保證工藝設備的正常運行。 
http:www.toastsoft.com/news/56572.htm
 
		 
       
 0755-82905460  
			 郵箱
0755-82905460  
			 郵箱  :
 :