縱觀消防設備電源監控系統設計簡介
徐霜
安科瑞電氣股份有限公司 上海 嘉定 201801
摘要:依據GB 50116-2013《火災自動報警系統設計規范》等規范要求,通過對消防設備管理現狀的分析,概述設置消防設備電源監控系統的必要性,介紹消防設備電源監控系統的功能要求、系統基本構成及監控模塊的類型,提出系統方案的選擇和設計方法。
0 引言
現代建筑內設置的火災自動報警系統及消防滅火系統功能日益完善,自動化程度越來越高,然而發生火災后各類消防設備不能正常運行的案例頻發,各地消防部門在日常防火檢查中發現投入大量資金設置的消防設備形同虛設的情況比較常見。無數經驗和教訓都證明,消防設備能否發揮作用是火災報警是否及時準確和初期火災撲救是否成功的重要條件之一,而穩定可靠的消防設備電源則是消防設備正常工作的根本保障。所以2014年5月1日開始實施的GB 50116-2013《火災自動報警系統設計規范》增加了消防設備電源監控系統的設置要求。本文著重就消防設備電源監控系統設置的必要性及設計方法作一討論。
1 設置消防設備電源監控系統的必要性
為了預防和減少火災危害,現代建筑內設置了火災自動報警系統、消防應急廣播系統、自動噴淋系統、消火栓系統、防排煙系統、消防應急照明系統、消防電梯系統、防火門及卷簾系統、防火門監控系統、電氣火災監控系統等多個系統,這些消防系統對建筑消防安全起到了極其重要的作用。這些系統能否正常工作取決于消防設備電源的工作狀態,如果沒有可靠穩定的消防設備電源,即使安裝最先進的消防系統,終端滅火設施再完善,一旦發生火警,整個消防系統也將無法正常運行,不能有效預警和滅火,其后果將是災難性的。因此,消防設備電源是各類型消防系統的工作基礎,可靠穩定的消防設備電源對消防系統有效發揮作用至關重要。
消防設備電源的特點是使用概率很低,長期閑置待用,一旦使用必須發揮作用,應始終處于“臨戰”狀態;為了確保消防設備電源可靠,對消防設備電源的管理及日常檢查就顯得尤為重要。但是由于消防設備電源的特殊性,人們對消防設備電源的日常檢查往往因長期不使用而出現麻痹思想,依靠人為措施基本無法保證消防設備電源時刻處于完好狀態,真正發生火情時,消防設備的供電可靠性無法得到有效保障。所以除加強管理外,很有必要采取技術措施盡早發現并解決問題。
如何從技防手段上實現對消防設備供電電源的實時監測,一直受到公安消防部門的高度重視。在深刻吸取火災事故教訓之后,為了切實加強消防控制室管理,公安部消防局組織編制了國家標準GB 25506-2010《消防控制室通用技術要求》,并于2011年7月1日開始貫徹實施,其中作出了“消防電源監控器應能顯示消防用電設備的供電電源和備用電源的工作狀態和欠壓報警信息”的強制性規定,與之相對應也就規定了消防控制室內應設置消防設備電源監控系統。該系統對于確保建筑消防設施運行狀態完好,提高各單位消防安全管理水平和及時發現消防設備故障,預防和減少火災危害具有非常重要的作用。國家標準GB 28184-2011《消防設備電源監控系統》于2012年8月1日實施,該標準強制規定了消防設備電源監控系統的基本功能、試驗和檢驗規則等內容。2014年5月1日實施的GB 50116-2013《火災自動報警系統設計規范》第3.4.2條也增加了設置消防設備電源監控系統的相關規定。
2 消防設備電源監控系統的構成
GB 28184-2011《消防設備電源監控系統》第3.1條給出了消防設備電源的定義:“消防設備電源為各類消防設備供電的交流或直流電源,包括主電源和備用電源”;第3.2條對消防設備電源監控系統提出來要求:“消防設備電源監控系統用于監控消防設備電源工作狀態,在電源發生過壓、欠壓、過流、缺相等故障時能發出報警信號的監控系統。”
消防設備電源監控系統是集工業計算機技術、通信、抗電磁干擾、數字傳感技術于一體的智能化產品,系統由消防設備電源狀態監控主機、監控模塊、電壓傳感器、電流傳感器、電壓/電流傳感器等部分或全部設備組成。采用高靈敏度多種信號傳感器,對監測的消防設備電源進行24h實時自動巡檢。監測。通過監測消防設備電源是否有中斷供電、過壓、欠壓、過流、缺相等故障,并進行聲光報警和記錄。消防設備電源的工作狀態,均在消防控制室內的消防設備電源狀態監控主機上集中顯示,故障報警后可及時進行處理,排除故障隱患,使消防設備電源始終處于正常狀態,從而有效避免火災發生時消防設備由于電源故障而無法正常工作的情況,最大限度地保障消防設備的可靠運行。
根據國家標準GB 28184-2011《消防設備電源監控系統》要求,針對各類消防設備電源的特點,全國各地消防公司積極研發,成功研制出了多種類型的消防設備電源監控系統主機和監控模塊。安科瑞應時代主流要求,開發了AFPM100消防設備電源監控系統,并取得了相當可觀的業績。
2.1系統基本結構
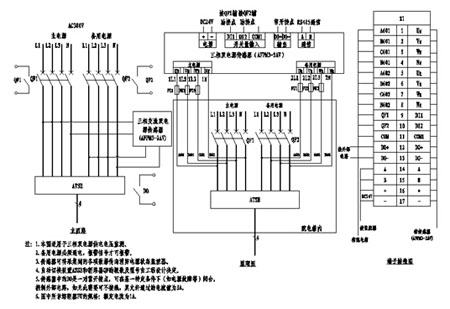
系統基本結構一般是監控主機+監控模塊兩層結構,系統構架簡潔。整個監控系統功能全面,每個監控模塊有一個獨立的地址編碼,系統內部采用RS485網絡通信,對外提供通信,以滿足接入其他消防系統的要求。消防設備電源監控系統結構示意如圖1所示。

圖1 AFPM100消防設備電源監控系統結構示意圖
2.2 消防設備電源監控模塊分類
消防設備電源監控模塊根據監控對象不同,分為直流、交流、單相、三相、一路電源、兩路電源等幾種類型,見表1.
表1 消防設備電源監控模塊分類

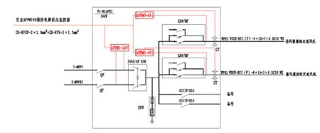
有的產品每個監控模塊只能監控一路電源,有的產品一個監控模塊可以同時監控兩路電源,圖2是多功能消防電源監控模塊電路圖,可監控兩路交流電源電壓、電流。

圖2多功能消防電源監控模塊電路圖
- 1
- 2
- 總2頁
http:www.toastsoft.com/news/55572.htm
 
		 
       



 0755-82905460  
			 郵箱
0755-82905460  
			 郵箱  :
 :