新型隔離變送器應用:電橋、位移等無源型傳感器的隔離配電
導讀:隔離放大器和隔離變送器的工作原理是首先將傳感器、儀器儀表、PLC等發送與接收的標準信號或溫度、位移、頻率、轉速等專用信號通過半導體器件進行調制,再由光感或磁感器件進行隔離轉換變送,然后進行解調還原成精度、線性度一致的原有信號或變換成其它信號。無源型信號隔離器本身無需外接電源,其工作是依靠傳感器、PLC、DCS、FCS等傳遞的信號中分出電能量來工作的。工業現場傳感器與儀器儀表、PLC、等控制系統經常由于系統干擾、有源信號、無源信號、有源負載、無源負載的信號沖突和阻抗匹配問題而無法正常工作。正確選擇隔離放大器能有效解決這些問題。
順源科技是07年深圳市高新技術企業及2011年國家高新技術企業。公司以“客戶的成功,我們的價值”為經營理念,按照ISO 2008質量技術管理體系的要求,堅持開展改進、改善、創新工作,不斷提高產品質量、降低生產成本、拓展產品應用范圍、推陳出新研發新品。以適應當前電子信息技術前日新月異發展的形勢及滿足客戶產品研發創新和升級換代需求。
順源科技在DC-DC模塊電源、數據采集器、隔離放大器、隔離變送器產品上有10多年的設計、生產和應用經驗,全系列產品有20多項國家專利和軟件著作權。公司專業的工程師團隊在更深入的理解和設計知識方面,相對于同行業競爭者有絕對的優勢。為需要解決信號干擾、信號負載匹配、地線隔離、電源轉換、數據采集、信號隔離、AD/DA轉換等用戶提供了大量解決方案。順源的每個產品所用器件原材料都超出所預定的規格來設計生產出高穩定性的產品,這些保證了產品在各種惡劣環境運行過程中展現良好的性能。
一、無源型傳感器電壓信號隔離變送器:ISO V-4-20mA
ISO V-4-20mA是一種無源型電壓信號隔離變送器。無需外接輔助電源,適用于位移傳感器電壓信號輸入,輸出端從PLC、DCS信號端口獲取電源并采集信號,向輸入端提供5V(3mA)隔離配電電源,可作為基準。
圖1和圖2:無源型電壓隔離變送器(ISO V-4-20mA)無需單獨供電電源,從PLC、DCS信號端口獲取電源并采集信號。向輸入端提供5V(3mA)隔離配電電源,給位移、電位器傳感器或電橋電路作為前置基準電路。
ISO V-4-20mA采用磁電隔離方式,溫度系數好且性能穩定。全量程范圍內精度、線性度誤差:< 0.2%
ISO V-4-20mA 詳細技術資料:http://www.sun-yuan.com/download/html/DownDetail_22.html
ISO V-4-20mA 典型應用:

圖1:電橋(稱重)檢測傳感器電壓信號隔離配送典型應用

圖2:二線制電壓信號傳感器隔離配電典型應用
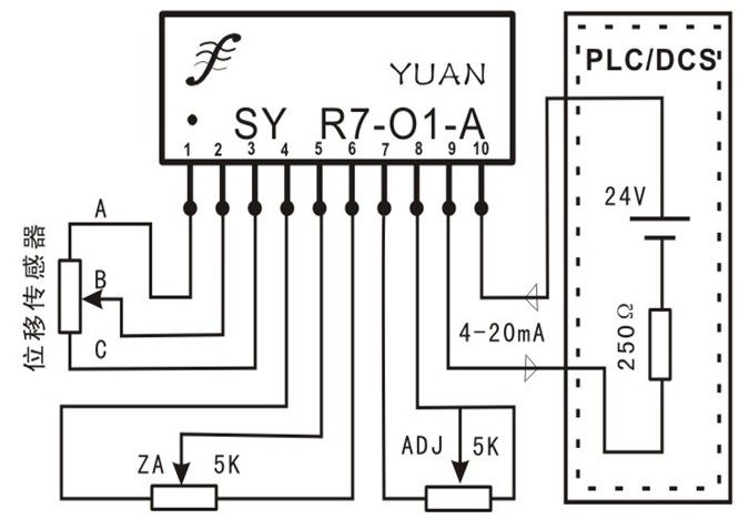
二、低成本、小體積、高精度位移傳感器電壓信號兩隔離無源配電放大器:SY R-P-O
應力、電阻傳感器信號無源配電放大器:SY R-P-O系列產品,具有很高的精度和線性度(優于0.05F.S),常用在內置式電子尺、角位移信號變送器等精密測量儀器儀表中。產品體積小、安裝方便,可安置在傳感器內部直接將位移、角度信號轉換成標準的4-20mA信號,滿度和零點都可由用戶通過外接電位器調節、校準。
SY R-P-O系列產品采用磁電隔離方式(電源和信號兩隔離),溫度系數好且性能穩定。全量程范圍內精度、線性度誤差:< 0.1%
SY R-P-O 詳細技術資料:http://www.sun-yuan.com/download/html/DownDetail_13.html
SY R-P-O 典型應用:

圖3:位移傳感器電壓信號無源配電放大典型應用圖
三、全隔離型電阻信號無源配電隔離變送器:ISO R-P-O
IC封裝的電阻信號隔離放大器ISO R-P-O-A系列產品,可實現電阻信號的隔離、放大和變換。工作電源、信號輸入和輸出之間的3000VDC三隔離。
ISO R-P-O系列產品采用磁電隔離方式,溫度系數好且性能穩定。全量程范圍內精度、線性度誤差:< 0.2%
    ISO R-P-O 詳細技術資料:http://www.sun-yuan.com/download/html/DownDetail_23.html 
ISO R-P-O 典型應用: 

圖4:電阻信號隔離放大器ISO R-P-O-A產品典型應用圖
兩線制傳感器4-20mA系列:隔離器、配電器、控制器,順源專利產品簡介
1、兩線制無源型傳感器電流環路隔離器(輸入回路饋電控制型):ISO 4-20mA
ISO 4-20mA是兩線制4-20mA電流環路隔離器。它無需外部供電,在傳感器、PLC等傳遞信號回路中取得能量,兩線制4-20mA有源信號輸出。
ISO 4-20mA采用磁電隔離方式,溫度系數好且性能穩定。全量程范圍內精度、線性度誤差:< 0.2%
ISO 4-20mA詳細技術資料:http://www.sun-yuan.com/download/html/DownDetail_36.html
ISO 4-20mA典型應用:傳感器有電源供電,產生4-20mA電流環路。4-20mA隔離器(ISO 4-20mA)從傳感器工作回路中獲取能量,經過隔離后輸出有源4-20mA信號。

圖5:傳感器輸出兩線制(有源)信號隔離后接(無源)負載
2、兩線制無源型傳感器隔離配電器(輸出回路饋電控制型):ISO 4-20mA-F
ISO 4-20mA-F是一種兩線制無源型4-20mA隔離配電器。從PLC、DCS信號端口獲取電源(輸出回路饋電)并采集信號,給兩線制無源型傳感器、兩線制儀表隔離配電。
ISO 4-20mA-F采用磁電隔離方式,溫度系數好且性能穩定。全量程范圍內精度、線性度誤差:< 0.2%
    ISO 4-20mA-F詳細技術資料:http://www.sun-yuan.com/download/html/DownDetail_37.html 
ISO 4-20mA-F典型應用:4-20mA隔離配電器(ISO 4-20mA-F)和傳感器(Sensor)都無需單獨供電電源,從PLC、DCS信號端口獲取電源并采集信號進行隔離后給傳感器、兩線制儀表配電,環路采集4-20mA信號。 

圖6:通過回路饋電兩線制無源型傳感器(無源)信號接(有源)負載
3、有源型傳感器信號隔離控制器(輸出回路饋電控制型):ISO 4-20mA-E
ISO 4-20mA-E是一種有源型傳感器4-20mA隔離控制器。從PLC、DCS信號端口獲取電源并采集信號,與傳感器輸出有源4-20mA信號經隔離控制輸出環路電流和接口的匹配,解決輸入輸出電源沖突問題。
ISO 4-20mA-E采用磁電隔離方式,溫度系數好且性能穩定。全量程范圍內精度、線性度誤差:< 0.2%
ISO 4-20mA-E詳細技術資料:http://www.sun-yuan.com/download/html/DownDetail_45.html
ISO 4-20mA-E典型應用:4-20mA隔離控制器(ISO 4-20mA-E)無需單獨供電電源,從PLC、DCS信號端口獲取電源并采集信號。將有源輸入的4-20mA轉換成無源輸出,完成信號隔離和環路接口的匹配,解決輸入輸出電源沖突問題。

圖7:有源型傳感器輸出(有源)信號控制(有源)負載
    4、 無源型兩線制交流轉直流(AC/DC)信號隔離變送器(輸出回路饋電控制型):DIN ISO AC-O 
DIN ISO AC-O是一種將交流電流或電壓按線性比例隔離變送輸出標準模擬電流信號的新型檢測器件。用這種隔離變送器配以相應的顯示控制儀表或直接輸送到PLC/DCS系統,可實現交流電壓電流的測量和控制。該器件的輸出方式是針對24VDC和取樣電阻(兩線制儀表)相串聯的二線制供電回路來設計的,同當前常用的模擬量輸入接口板(上位機)、PCC、DCS及現場顯示控制儀表模擬量輸入端口相匹配。 
DIN ISO AC-O系列無源型兩線制交流信號隔離變送器采用高效能的回路竊電技術,無需獨立電源供電,輸入端與輸出端可達到3KVDC隔離。變送器采用兩線制回路供電輸出方式可省掉兩根電源線,簡化了系統的設計方案,降低用戶布線成本,可直接使用顯示控制儀表或DCS/FCS系統的信號回路提供電源。產品在電力遠程監控、電氣自動化、儀器儀表、軌道交通、工控智能化等領域廣泛應用。
DIN ISO AC-O 采用磁電隔離方式,溫度系數好且性能穩定。全量程范圍內精度、線性度誤差:< 0.2%
DIN ISO AC-O 詳細技術資料:http://www.sun-yuan.com/download/html/DownDetail_105.html
DIN ISO AC-O 典型應用:產品內部安裝的可調電阻用來調節或校正零點與滿度的精度。
產品出廠前已檢驗校正,用戶可直接使用。如需在現場匹配不同規格的儀器儀表,可通過調節產品側面零點、滿度多圈電位器進行零點與滿度的高精度校準。

圖8:典型應用1. 交流電流信號輸入,二線制4-20mA回路饋電輸出方式

圖9: 典型應用2. 交流電壓信號輸入,二線制4-20mA回路饋電輸出方式
外型尺寸及調節功能描述 (* 產品型號和接線圖打印在外殼上)

產品外形及安裝方式參考

http:www.toastsoft.com/news/48093.htm
 
		 
       
 0755-82905460  
			 郵箱
0755-82905460  
			 郵箱  :
 :