可得:
S1=210 V×245 A×1.2×/(0.8×0.93)=82.9 kVA.
整流器輸入功率因數
λ1=P2/(S1×η1)=68.6/(82.9×0.93)=0.889,
UPS效率
η=S3/S1=50/82.9=0.603.
假定UPS負荷的功率因數λ=0.7,則逆變器輸出有功功率
P3=S3×λ=50 kVA×0.7=35 kW,
逆變器效率
η2=P3/P2=35/68.6=0.51.
可見,整套UPS的效率是比較低的,這是由于各環節存在損耗。如果UPS的容量選擇過大,實際負荷偏低,利用率低,效率則更低。
在充電器已選定輸出功率65 kW情況下,參照上述公式,計算得整流變輸入容量為87.3 kVA。國產充電器的整流變原設計選配輸入容量140 kVA,偏大了。
鑒于整流、逆變各環節交直流側P,U,I等參數換算與整流、逆變的方式、線路及負荷等有關,準確計算比較復雜,我們期待設計規程提供一套UPS系統適用的基本公式,作為容量選擇估算的依據。
4 UPS專用電池個數的選擇
4.1 認識上的反思
1988年,黃埔發電廠300 MW機組開始安裝,筆者是甲方代表,初接觸靜態逆變的UPS,對其原理和特點還了解甚少,在UPS電池個數選擇上走了一段彎路。原設計電池為日本湯淺公司生產的QFD-250型,250 Ah,堿性,180個,浮充電壓1.35 V×180=243 V,均充電壓1.47 V×180=264.6 V。拿一般直流系統去套,認為直流電壓偏高,會縮短繼電器、信號燈等元件壽命,遂提出建議減少電池。經設計代表、乙方代表同意,變更為171個,浮充電壓231 V,均充電壓251 V。
1991年9月26日,5號機組投產2 a后,進行UPS試驗。斷開整流器、充電器后不到10 min,電池從231 V急劇跌降至210 V,逆變器輸入側開關Q4跳閘,切至旁路。均衡充電10 h后,重新試驗,放電約20 min,Q4跳閘。
電荷量Q=250 Ah電池,以2 h率電流放電(Q/2 h=125 A),為何不到0.5 h電壓就跌至210 V呢?筆者認為主要是電池個數偏少。逆變器輸入210 V跳閘時,單個電池電壓為210 V/171=1.23 V。電池以0.5Q/h電流放電,允許終止電壓為1.05 V,1.23 V以下的有效容量未充分利用。查QFD電池放電系數k=0.5 h-1的放電電壓曲線,當電池降至1.23 V的時間約20 min,與前述試驗結果相符。為此,1992年2月筆者草擬了UPS電池改進的意見,電池加裝至186個。驗算其放電至210 V時,單個電池仍有210 V/186=1.13 V,查k=0.5 h-1放電電壓曲線,放電可持續約1.5 h。
QFD電池放電電壓曲線見圖4。
圖4 不同放電系數的放電電壓曲線
4.2 對原設計的分析及修正
原設計計算書,以電池電電流227 A,0.5 h,放出電荷量113.5 Ah,45.4%容量,查0.908 h-1放電電壓曲線,放電0.5 h單個電池電壓1.17 V,電池個數n=210/1.17=180。
這里糾正兩點:
a)逆變器輸入電流,即電池放電電流計算值應為245 A,而非227 A;
b)考慮UPS電池的放電時間0.5 h,此時的電壓1.17 V不是電池的終止放電電壓。
修正計算如下:
按電池放電系數
k=IDC/Q=245 A/250 Ah=0.98 h-1,
查0.98 h-1≈h-1放電電壓曲線,得終止放電電壓為1.03 V。防止個別落后電池過放電損壞,留有余地,終止放電電壓取Upn=1.03 V×1.04=1.07 V。電池個數n為逆變器最低輸入電壓UDC,min與電池終止放電電壓Upn之比,即
n=210/1.07=196.
驗算應滿足條件:
a)放電0.5 h后的單個電池電壓應不小于電池的終止放電電壓;
b)放電0.5 h后的整組電池電壓應不小于逆變器最低輸入電壓;
c)放電至逆變器最低輸入電壓時單個電池電壓應不小于電池的終止放電電壓;
d)放電時間不小于30 min。
經驗算,n=196滿足上述條件。
4.3 討論
由于UPS的逆變器設置了低電壓保護,為了充分發揮電池容量,希望UPS專用電池的個數多一點,放電至逆變器低電壓跳閘時的單個電池電壓低一點,以延長放電時間;而為了保護電池,電池個數應少一點,放電后期單個電池的電壓才不致于過低,以防止過放電。設計人員應適當地處理這一矛盾。
電池放電時間與電池個數密切相關。在輸出電流245 A,選定250 Ah電池條件下,若選196只,可以放電46 min,單個電池電壓至1.07 V時放出76%容量(190 Ah);若選186只,至210 V/186=1.13 V時,放出49%容量(122.5 Ah),可以放電30 min;若選180只,至1.17 V時只能放出28%容量(70 Ah),持續時間僅有17.2 min,達不到期望值30 min。由此可見,充分的容量還要搭配足夠的個數,才能發揮電池應有的效能。
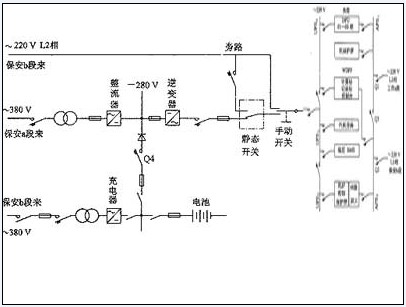
5 逆變器輸入電壓的選擇
逆變器輸入電壓的范圍,與電池、充電器的選型有關。逆變器輸入端與電池及充電器的輸出端連接,中間一般設隔離二極管。逆變器正常輸入電壓,應高于電池正常浮充和均衡充電時的整組電壓,電池才不會輕易放電。
為了防止電池過放電而垮掉,逆變器必須有低電壓保護。這一保護定值,就是逆變器輸入電壓的下限,它直接決定著電池個數及直流系統電壓,也影響著電池容量。
逆變器輸入電壓的上限,制約著電池的初充電和均衡充電。如選QFD型電池196只,長期浮充電壓為1.35 V×196=264.4 V,超過了220 V×(1+10%)的范圍,元件壽命大降;均充電壓為1.47 V×196=288 V,初充電壓為1.63 V×196=319 V,已高于逆變器輸入電壓的上限280 V,初充和均充時必須退出電池,而且也超出了GZKC2型充電器輸出電壓的上限310 V。此外,整流器輸出電壓實際值只有278 V,有時還出現波動。基于上述考慮,UPS改進后電池僅加裝至186只是比較合適的。
6 結束語
a)從優化電源布局和操作需要出發,由設計部門繪制一張包含電源及負荷的UPS系統總圖是很必要的。不少工程,恰恰欠缺了這張圖。制造廠家系數列產品通用圖或一般原理方框圖,不能代替實際系統圖施工圖。運行部門總是希望設計部門消化廠家資料后,另出一份確認的圖紙。電廠正常生產后,也應復制一套符合現場實際的竣工圖。
b)UPS外圍設備與廠用電和直流系統密切相關。電氣人員比較熟悉電源,而熱控人員則比較熟悉負荷分配和UPS裝置。UPS裝置的選型訂貨,又常與機爐控制系統一起考慮。因而,專業之間協調,才能規劃設計出好的方案,避免接口上出現疏漏。UPS裝置的監視、停送電和倒換操作,一般由熟悉電氣系統的運行人員執行;但負荷端的UPS、DPU、APS柜內的開關,宜由熱控人員操作。生產單位只有加強管理,明確職責,分工分界,才能管好UPS。■