E3410 10MHz CFPT-9003 EX 1 B 溫補晶振
中心頻率: 10MHz
中心頻率偏差:≤± 0.5ppm @ 25℃
工作溫度范圍: -40-+85℃
溫度頻率穩(wěn)定度: ±0.5ppm
輸出波形: Sine 正弦波
工作電壓范圍: 5.0V±10%
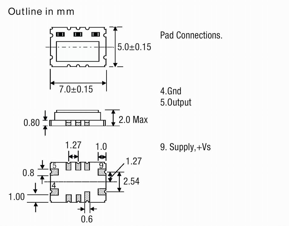
封裝尺寸: SMD 7*5*2mm
E3195 10MHz CFPT-9003 EX 1 B 溫補晶振
中心頻率: 10MHz
中心頻率偏差:≤± 1.0ppm @ 25℃
工作溫度范圍: -40-+85℃
溫度頻率穩(wěn)定度: ±0.5ppm
輸出波形: Sine 正弦波
工作電壓范圍: 5.0V±10%
封裝尺寸: SMD 7*5*2mm
深圳市瑞科創(chuàng)電子有限公司
Ractron Electronics Co.,Ltd
地址:深圳市福田區(qū)上步路錦峰大廈3092-3093室
電話:0755-8116-2876 0755-2100-5836 傳真:0755-8306-2006
郵箱: Ractron@hotmail.com QQ:229531387
